Запчасти Case 621C (08-028) - VALVE SECTION LOADER BUCKET TILT (08) - HYDRAULICS

Схема запчастей Case 621C - (08-028) - VALVE SECTION LOADER BUCKET TILT (08) - HYDRAULICS
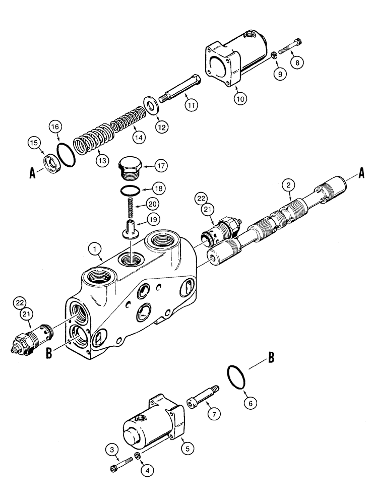
7
21
16
22
21
22
18
8
6
14
2
9
1
17
15
5
19
10
20
11
3
4
13
12
FIT
1:1
100%

Артикул

Название

Примечание

Количество

120984A1

SECTOR

SECTION bucket tilt, Consists of: Refs. 1-22

1шт.

1

NSS

NOT SOLD SEPARAT

HOUSING

1шт.

2

NSS

NOT SOLD SEPARAT

SPOOL

1шт.

121003A1

TAPPET

KIT spool positioner, spool end, Includes: Refs. 3-7

1шт.

3

461-32524

HEX SOC SCREW,1/4"-20 x 1 1/2"

4шт.

4

492-11025

LOCK WASHER,1/4"

4шт.

5

NSS

NOT SOLD SEPARAT

CAP

1шт.

6

238-5128

O-RING,0.103" Thk x 1.487" ID, -128, Cl 5, 75 Duro

1шт.

7

NSS

NOT SOLD SEPARAT

BOLT

1шт.

121002A1

TAPPET

KIT spool positioner, spring end, Includes: Refs. 8-16

1шт.

8

461-32524

HEX SOC SCREW,1/4"-20 x 1 1/2"

4шт.

9

492-11025

LOCK WASHER,1/4"

4шт.

10

NSS

NOT SOLD SEPARAT

CAP

1шт.

11

NSS

NOT SOLD SEPARAT

BOLT

1шт.

12

NSS

NOT SOLD SEPARAT

SPACER

1шт.

13

NSS

NOT SOLD SEPARAT

SPRING

1шт.

14

NSS

NOT SOLD SEPARAT

SPRING

1шт.

15

NSS

NOT SOLD SEPARAT

SPACER

1шт.

16

238-5128

O-RING,0.103" Thk x 1.487" ID, -128, Cl 5, 75 Duro

1шт.

102204A1

SET

KIT plug, load check, Includes: Refs. 3-7

1шт.

17

NSS

NOT SOLD SEPARAT

PLUG

1шт.

18

237-6014

O-RING,0.116" Thk x 1.048" ID, -914, Cl 6, 90 Duro

1шт.

19

NSS

NOT SOLD SEPARAT

POPPET valve

1шт.

20

NSS

NOT SOLD SEPARAT

SPRING

1шт.

21

102211A1

VALVE

circuit relief and anticavitation, with flat screen on poppet, production only, for service Order: P/N 102210A1

2шт.

22

102210A1

VALVE

circuit relief and anticavitation, with flat screen on poppet, service replacement, See figure 8-113, See your service manual for proper pressure setting

2шт.

Выбрано товаров: 0