Запчасти Case 621C (02-008) - MUFFLER EXHAUST SYSTEM (02) - ENGINE

Схема запчастей Case 621C - (02-008) - MUFFLER EXHAUST SYSTEM (02) - ENGINE
9
18
21
10
10
25
11
17
10
10
9
11
22
13
1
20
12
26
8
23
6
9
9
2
19
16
11
11
10
1a
3
10
9
7
17a
5
9
4
9
15
14
3
9
24
FIT
1:1
100%

Артикул

Название

Примечание

Количество

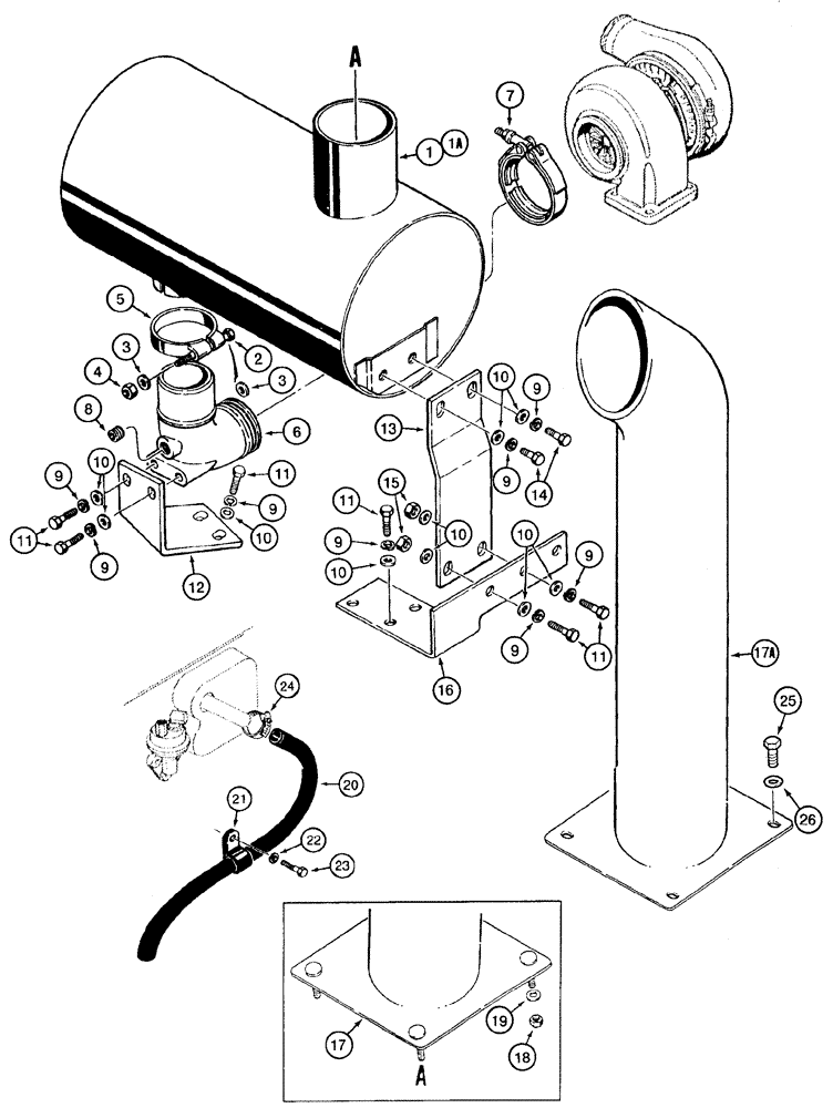
1

A184369

MUFFLER

North America only

1шт.

1a

313920A1

MUFFLER

Europe only

1шт.

2

426-652

BOLT,Hex, 3/8" - 16 x 3-1/4", Gr 8

1шт.

3

D41740

WASHER

3/8

2шт.

4

425-106

NUT,3/8"-16, Cl 5

1шт.

5

R27691

CLAMP

1шт.

6

A173623

ELBOW

1шт.

7

A170467

CLAMP,72mm ID

1шт.

8

217-433

PLUG,Hex Soc, 1/4" - 18 NPTF

1шт.

9

892-11010

LOCK WASHER,M10

11шт.

10

895-11010

WASHER,11mm ID x 20mm OD x 2mm Thk

11 x 21 x 2 mm

13шт.

11

627-10030

BOLT,Hex, M10 x 1.5 x 30mm, Cl 10.9, Full Thd

9шт.

12

247482A1

GUIDE

1шт.

13

247190A1

SUPPORT

1шт.

14

627-10020

BOLT,Hex, M10 x 1.5 x 20mm, Cl 10.9, Full Thd

2шт.

15

825-1410

NUT,M10, Cl 8

2шт.

16

283015A1

SUPPORT

1шт.

17

L127576

TUBE

North America only

1шт.

17a

144419A1

PIPE

Europe only

1шт.

18

231-1446

NUT,3/8" - 16, Gr 5

North America only

4шт.

19

D52275

WASHER,9.92mm ID x 31.75mm OD x 2.78mm Thk

North America only

4шт.

20

L126419

HOSE,19 mm ID x 650.00 mm

1шт.

21

515-25254

CLAMP,1", Insul, 1/2" Bolt

1шт.

22

892-11012

LOCK WASHER,M12

1шт.

23

627-12020

BOLT,Hex, M12 x 1.75 x 20mm, Cl 10.9, Full Thd

1шт.

24

214-1410

HOSE CLAMP,#10, 0.56" - 1.06", Type F Worm

1шт.

25

426-616

BOLT,Hex, 3/8" - 16 x 1", Gr 8

Europe only

4шт.

26

496-41041

WASHER,13/32" x 1 1/8" x .134"

Europe only

4шт.

Выбрано товаров: 28