Запчасти Case 621C (09-056) - AIR CONDITIONING CONDENSER (09) - CHASSIS

Схема запчастей Case 621C - (09-056) - AIR CONDITIONING CONDENSER (09) - CHASSIS
20
3
39
35
10
23
19
30
8
22
43
28
44
41a
27
32a
12
36
24
33
41
22
46
4
1
38
7
5
38a
37
32
45
6
31
14
17
44
13
44
42
21
18
2
11
25
29
40
3
15
34
26
28
37
9
FIT
1:1
100%

Артикул

Название

Примечание

Количество

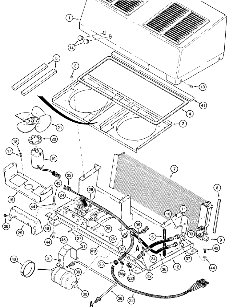
178301A1

ASSEMBLY

AIR CONDITIONING, Consists of: Refs. 1 - 41A

1шт.

1

178303A1

COVER ASSY

condenser

1шт.

2

1974863C2

PROTECTOR

PLATE

1шт.

3

425-104

NUT,1/4"-20, Cl 5

15шт.

4

1977898C1

SEAL

SEAL, 80 in, (2032 mm), shroud perimeter, cut from P/N 198573C1

1шт.

5

1977899C1

SEAL

SEAL, 41-1/8 in, (1045 mm), shroud baffle, cut from P/N 198573C1

2шт.

6

1327979C1

MOLDING

6 in, (152 mm), cut from P/N 1330108CX

1шт.

7

97213C2

CONDENSER

air conditioning

1шт.

8

1977901C1

SEAL

9 in, (227 mm), condenser flange, cut from P/N 198573C1

2шт.

9

1977900C1

SEAL

31 in, (787 mm), lower condenser, cut from P/N 1977902CX

1шт.

10

463-1258

SCREW,Hex Hd, 1/4"-20 x 1/2"

4шт.

11

492-11025

LOCK WASHER,1/4"

4шт.

12

138583A2

SHEET

PLATE support

1шт.

13

440-1258

SCREW,Cross Pan Hd, 1/4"-20 x 1/2"

4шт.

14

205-104

HOLE PLUG BUTTON,1"

2шт.

178301A1

ASSEMBLY

Consists of: Ref. 1 - 41A, continued from previous figure

1шт.

15

137511A1

GUARD

2шт.

17

492-11010

LOCK WASHER,#10

4шт.

18

225-14210

NUT,#10-32

4шт.

19

1977427C2

MOTOR, ELECTRIC

24V

2шт.

19

1977427C2R

REMAN-ELECTRIC MOTOR

621C

2шт.

19

1977427C2C

CORE-ELECTRIC MOTOR

Return Number

2шт.

20

138897A1

SPACER

2шт.

21

1977731C1

FAN

2шт.

22

137333A1

HARNESS

condenser

1шт.

23

248-1243

GROMMET,1/2" ID x 13/16" Groove Dia, Diag Cut

1шт.

24

A186288

RELAY

24V

2шт.

25

A187825

RELAY

10A

2шт.

26

225-14210

NUT,#10-32

1шт.

27

440-10812

SCREW,Cross Pan Hd, #8-32 x 3/4"

4шт.

28

459-1108

SCREW,Slotted Pan Hd, #10-32 x 1/2"

4шт.

29

1977847C1

COVER

relay

1шт.

30

1990758C2

RECEIVER-DRYER

1шт.

31

1974861C1

SUPPORT

1шт.

32

1954630C6

HOSE

15 in, (380 mm), supply, attaches to compressor hose, Includes: Refs. 32A - 34, Replaces: P/N 1954630C5

1шт.

32a

NSS

NOT SOLD SEPARAT

NUT special

1шт.

33

238-5013

O-RING,0.07" Thk x 0.426" ID, -13, Cl 5, 75 Duro

1шт.

34

1250594C2

CORE

Replaces: P/N 1250594C1

1шт.

35

178460A1

PLUG

1шт.

36

1954627C3

HOSE

19-3/4 in, (500 mm), condenser to receiver drier, Includes: Ref. 37

1шт.

37

128483A1

O-RING,1.78mm Thk x 7.65mm ID, 70 Duro

5/16 ID x 1/16

2шт.

178301A1

ASSEMBLY

Consists of: Refs. 1 - 41A, continued from previous figure

1шт.

38

1954628C4

TUBE

TUBE, return, Includes: Refs. 38A, 39

1шт.

38a

425-1510

JAM NUT,Jam, 5/8"-18, G5

1шт.

39

238-5011

O-RING,0.07" Thk x 0.301" ID, -11, Cl 5, 75 Duro

1шт.

40

180623C1

SEAL

10-11/16 in, (271 mm), receiver drier, cut from P/N 198530C1

1шт.

41

1977897C1

SEAL

29-1/2 in, (750 mm), condenser cover, cut from P/N 1977902CX

1шт.

41a

NSS

NOT SOLD SEPARAT

SEAL, foam, cut from P/N 1999409C1

1шт.

42

627-10025

BOLT,Hex, M10 x 1.5 x 25mm, Cl 10.9, Full Thd

2шт.

43

827-10040

BOLT,Hex, M10 x 1.5 x 40mm, Cl 10.9, Full Thd

Replaces P/N 627-10030

2шт.

44

895-11010

WASHER,11mm ID x 20mm OD x 2mm Thk

11 x 21 x 2 mm

4шт.

45

832-10410

NUT,M10 x 1.5, Cl 8

2шт.

46

L125787

LARGE PLATE

PLATE, LARGE condenser cover to hood, if used

2шт.

Выбрано товаров: 53