Запчасти Case 621C (03-004) - PEDAL ASSY THROTTLE, FOOT (03) - FUEL SYSTEM

Схема запчастей Case 621C - (03-004) - PEDAL ASSY THROTTLE, FOOT (03) - FUEL SYSTEM
7
5
4
6
1
8
3
3
2
4
3
7
6
6
4
5
8
4
1
4
4
FIT
1:1
100%

Артикул

Название

Примечание

Количество

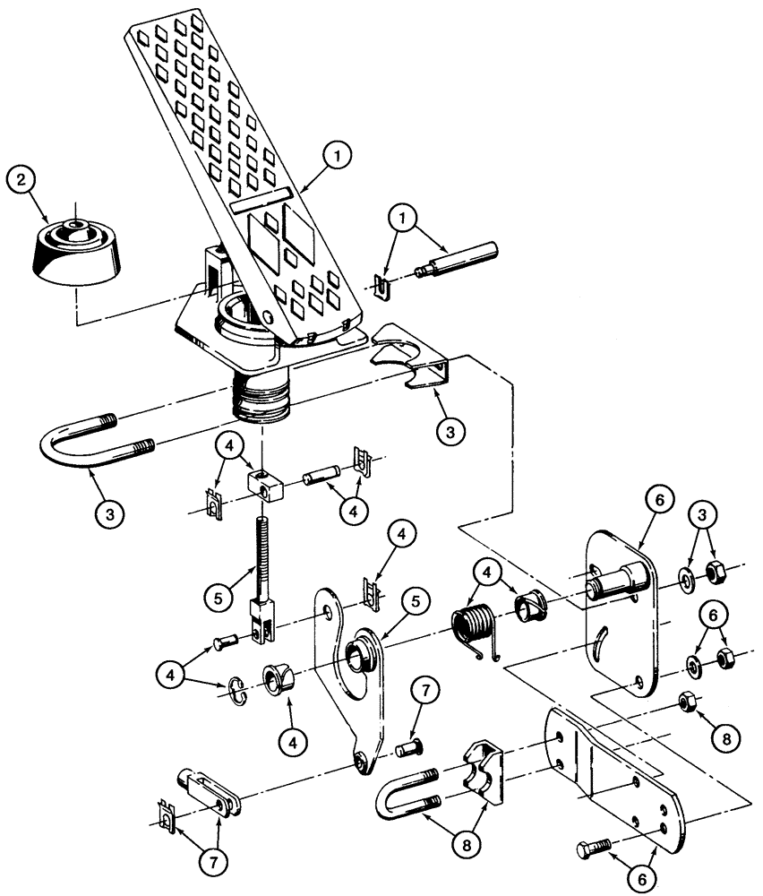
295157A1

PEDAL ASSY.

Consists of: Refs. 1-8

1шт.

1

336463A1

SET OF PARTS

PEDAL

1шт.

2

336467A1

SET OF PARTS

BELLOWS

1шт.

3

336461A1

SET OF PARTS

U-BOLT ASSY

1шт.

4

336460A1

KIT

BEARING and HARDWARE

1шт.

5

336462A1

SET OF PARTS

LEVER and PUSH ROD

1шт.

6

336464A1

SET OF PARTS

CABLE HANGER and SUPPORT BRACKET

1шт.

7

336466A1

SET OF PARTS

CLEVIS and HARDWARE

1шт.

8

336465A1

SET OF PARTS

ANCHOR cable

1шт.

Выбрано товаров: 9