Качественные детали и логистика
Оригинальные и аналоговые запчасти с доставкой по России, Казахстану и Беларуси
©2022 PartSell ООО "Система" ИНН 2463123282 ОГРН 1212400004838
Центральный офис: г. Красноярск, Академика Киренского, д.87, пом.4
Телефон: 8 (800) 777-65-74 Email: zakaz@partsell.ru
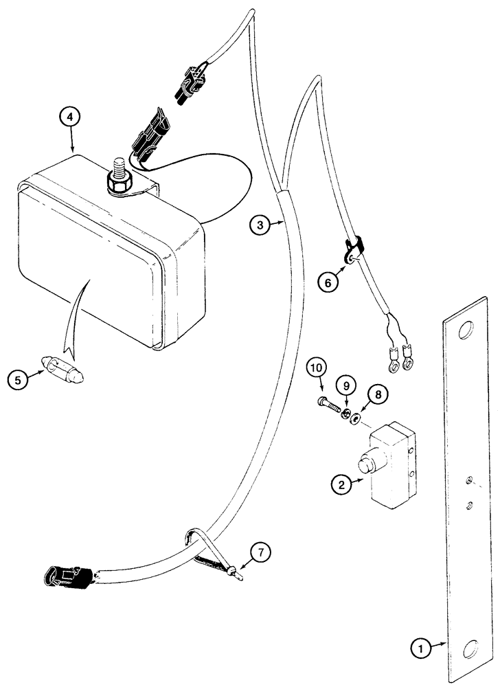
(04-082) - LAMP, ENGINE COMPARTMENT, EUROPE ONLY
№
Артикул
Название
Примечание
Количество
1
E133439
SUPPORT
SWITCH
1шт.
2
119904A1
IGNITION SWITCH
3
112543A1
HARNESS
compartment lamp
4
120230A1
LIGHT
Assy, Compartment, Incl. Ref. 5
5
A15084
LAMP
BULB, 24V, 5 amp
6
515-2295
CLAMP,3/8", Insul, 5/16" Bolt
7
L18337
CABLE TIE,9.95"-12.1" lg
CABLE STRAP 15 in
8
495-31016
WASHER,#6
4шт.
9
492-11006
LOCK WASHER,#6
2шт.
10
440-10616
SCREW,Cross Pan Hd, #6-32 x 1"
Выбрано товаров: 0