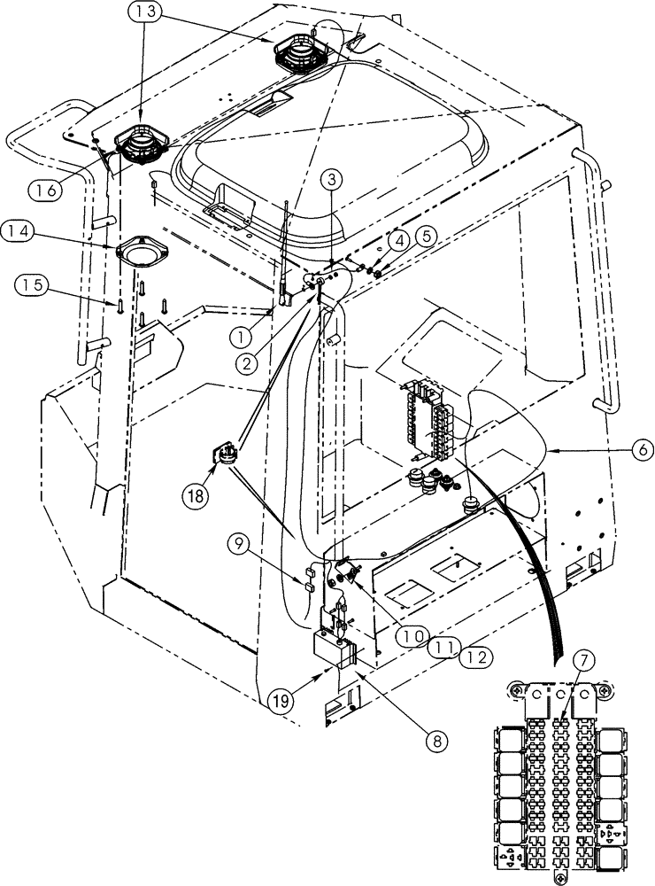
Запчасти Case 621C (04-104) - RADIO MOUNTING, RADIO READY SYSTEM, 12 VOLT, 24 VOLT (04) - ELECTRICAL SYSTEMS

Схема запчастей Case 621C - (04-104) - RADIO MOUNTING, RADIO READY SYSTEM, 12 VOLT, 24 VOLT (04) - ELECTRICAL SYSTEMS
7
4
9
12
13
11
16
15
18
19
3
10
2
14
6
8
5
1
FIT
1:1
100%

Артикул

Название

Примечание

Количество

1

197745A1

ANTENNA

1шт.

2

316654A1

CABLE ASSY.

ANTENNA

1шт.

3

316655A1

GROUND CABLE

1шт.

4

893-11006

LOCK WASHER,Ext Tooth, M6

1шт.

5

829-1406

NUT,Hex, M6 x 1, Cl 10.9

M6; 10.9

1шт.

6

277919A1

HARNESS

radio

1шт.

7

A149799

FUSE

7.5 amp

1шт.

8

277982A1

TRANSFORMER

CONVERTER, 24 - 12 V

1шт.

9

319160A1

WIRE HARNESS

radio installation

1шт.

10

316666A1

SUPPORT

BRACKET, radio, use existing hardware

1шт.

11

895-11006

WASHER,6.6mm ID x 12mm OD x 1.6mm Thk

No Longer Used

2шт.

12

829-1406

NUT,Hex, M6 x 1, Cl 10.9

M6; 10.9, No longer used

2шт.

13

182721A2

SPEAKER

LOUD, 5-1/2

2шт.

14

187281A1

COVER

GRILLE

2шт.

15

761-17325

SELF-TAP SCREW,Pan Hd, M4.2 x 25

8шт.

16

302862A1

SPRING NUT,4.2 Thread

special

8шт.

17

L18337

CABLE TIE,9.95"-12.1" lg

CABLE STRAP 15 in

2шт.

18

169850C2

CABLE CLIP

2шт.

19

760-14113

SELF-TAP SCREW,Pan Hd, M3.5 x 13

2шт.

Выбрано товаров: 19