Запчасти Case 721C (06-05) - TRANSMISSION ASSY - HOUSING (06) - POWER TRAIN

Схема запчастей Case 721C - (06-05) - TRANSMISSION ASSY - HOUSING (06) - POWER TRAIN
19
22
4
20
15
2
17
15
16
8
17
16
1
14
13
9
5
18
12
11
21
23
3
22
10
23
7
4
6
FIT
1:1
100%

Артикул

Название

Примечание

Количество

196173A1

REMAN-TRANSMISSION

Incl. See Figure 06-04, 06-20, 07-01

1шт.

196173A1R

REMAN-TRANSMISSION

721C CASE WHEEL LOADER

1шт.

196173A1C

CORE-TRANSMISSION

Return Number

1шт.

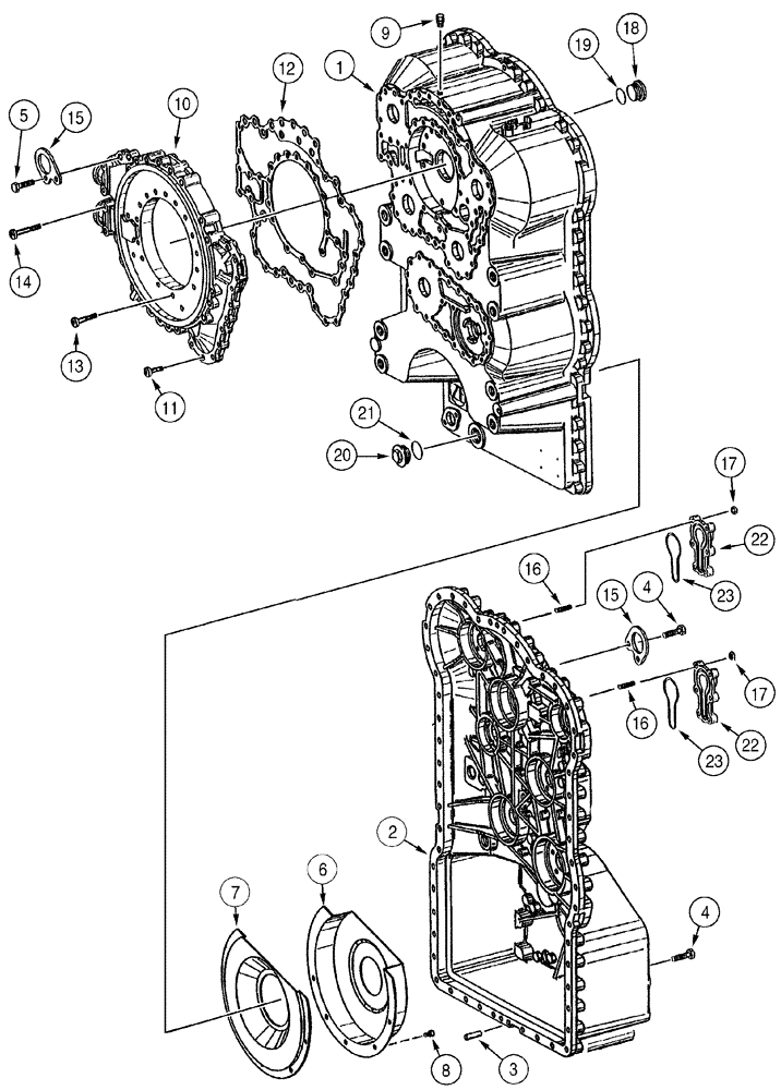
1

331683A1

HOUSING

Rear

1шт.

2

331684A1

HOUSING

Front

1шт.

3

331685A1

PIN

2шт.

4

331686A1

CAPSCREW,M10 x 50mm

M10 x 40

53шт.

5

331689A1

CAPSCREW,M10 x 40mm

M10 x 65

2шт.

6

331688A1

SCREEN

Gear

1шт.

7

331687A1

SCREEN

1шт.

8

330806A1

CAPSCREW,M8 x 12mm

5шт.

9

N14704

BREATHER

1шт.

10

330807A1

HOUSING

Oil Supply

1шт.

11

330808A1

CAPSCREW,Flg, 5/16" - 18 x 5", Gr 8

15шт.

12

330809A1

GASKET

1шт.

13

330810A1

CAPSCREW,M8 x 14mm

21шт.

14

330811A1

CAPSCREW,Flg, 5/16" - 18 x 5 1/2", Gr 8

4шт.

15

330817A1

LARGE PLATE

PLATE, LARGE

2шт.

16

330814A1

STUD

M8 x 25

12шт.

17

330816A1

NUT

M8

12шт.

18

330818A1

PLUG

Incl. 19

1шт.

19

330819A1

O-RING

1шт.

20

330820A1

PLUG

Incl. 21

1шт.

21

330819A1

O-RING

1шт.

22

330812A1

COVER

Incl. 23

2шт.

23

330813A1

O-RING

2шт.

Выбрано товаров: 26