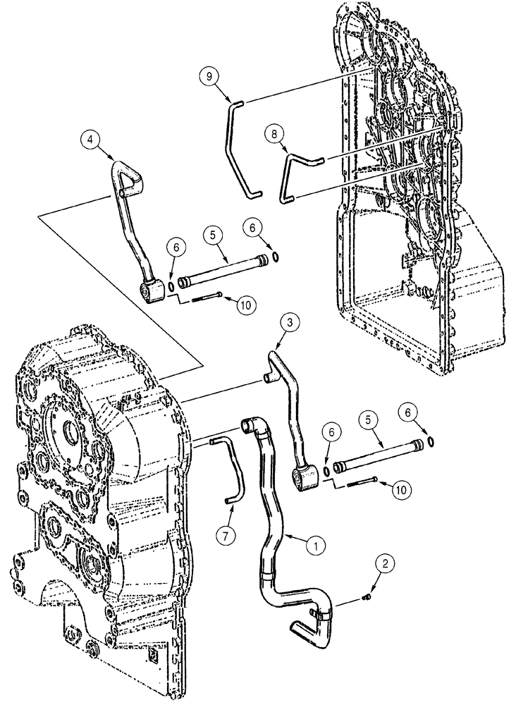
Запчасти Case 721C (06-06) - TRANSMISSION ASSY - HOUSING TUBES (06) - POWER TRAIN

Схема запчастей Case 721C - (06-06) - TRANSMISSION ASSY - HOUSING TUBES (06) - POWER TRAIN
5
6
6
6
6
7
1
10
4
5
2
8
3
9
10
FIT
1:1
100%

Артикул

Название

Примечание

Количество

196173A1

REMAN-TRANSMISSION

Incl. See Figure 06-04, 06-20, 07-01

1шт.

196173A1R

REMAN-TRANSMISSION

721C CASE WHEEL LOADER

1шт.

196173A1C

CORE-TRANSMISSION

Return Number

1шт.

1

331691A1

TUBE

Suction

1шт.

2

330806A1

CAPSCREW,M8 x 12mm

1шт.

3

331690A1

PIPE

1шт.

4

331693A1

PIPE

1шт.

5

331692A1

PIPE

2шт.

6

330827A1

O-RING

4шт.

7

331694A1

PIPE

1шт.

8

331695A1

PIPE

1шт.

9

331697A1

PIPE

1шт.

10

331696A1

CAPSCREW,M8 x 55mm

M8 x 55

2шт.

Выбрано товаров: 13