Запчасти Case 721C (06-13) - TRANSMISSION - SHAFT, OUTPUT (06) - POWER TRAIN

Схема запчастей Case 721C - (06-13) - TRANSMISSION - SHAFT, OUTPUT (06) - POWER TRAIN
9
6
6
4
8
3
5
2
7
8
7
2
3
1
9
FIT
1:1
100%

Артикул

Название

Примечание

Количество

196173A1

REMAN-TRANSMISSION

Incl. See Figure 06-04, 06-20, 07-01

1шт.

196173A1R

REMAN-TRANSMISSION

721C CASE WHEEL LOADER

1шт.

196173A1C

CORE-TRANSMISSION

Return Number

1шт.

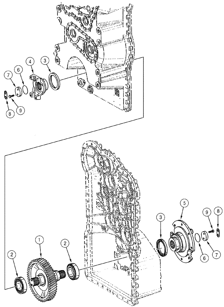
1

331963A1

SHAFT

1шт.

2

331914A1

BEARING, ROLLER

2шт.

3

E135151

OIL SEAL

2шт.

4

331965A1

COUPLING FLANGE

Output, Rear

1шт.

5

331973A1

COUPLING FLANGE

Output Flange, For Parking Brake Assembly, See Figure 07-01

1шт.

6

187244A1

GASKET,4mm Thk x 48mm ID

2шт.

7

E135181

WASHER

2шт.

8

E135165

PLATE

PLATE, LARGE

2шт.

9

331964A1

SCREW

M10 x 30

4шт.

Выбрано товаров: 12