Запчасти Case 721C (06-22) - AXLE - MOUNTING, JEE0123290- (06) - POWER TRAIN

Схема запчастей Case 721C - (06-22) - AXLE - MOUNTING, JEE0123290- (06) - POWER TRAIN
1
7
5
4
3
5
2
7
8
6
5
5
8
6
FIT
1:1
100%

Артикул

Название

Примечание

Количество

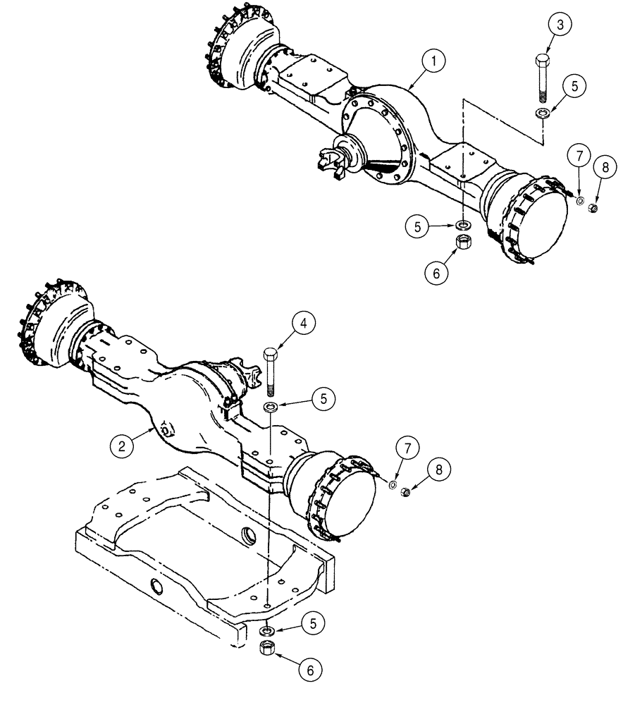
1

293100A1

AXLE

ZF No. 4474 052 014, See Figure 06-23, 06-30, If Used, See Figure 06-22

1шт.

2

293101A1

AXLE

ZF No. 4474 051 011, See Figure 06-32, 06-37 If Used, See Figure 06-22

1шт.

3

328-1696

BOLT,Hex, 1" - 14 x 6", Gr 8

Front Axle

8шт.

4

328-16160

BOLT,Hex, 1" - 14 x 10", Gr 8

Rear Axle

8шт.

5

496-21106

WASHER,1 1/16" x 2" x .209", HDN

32шт.

6

232-24416

NUT,1"-14, GC

16шт.

7

496-41081

WASHER,13/16" x 1 3/4" x .219", HDN

64шт.

8

429-1712

NUT,3/4"-16, G8, Hvy

64шт.

Выбрано товаров: 8