Запчасти Case 721C (07-01) - BRAKE, PARKING (07) - BRAKES

Схема запчастей Case 721C - (07-01) - BRAKE, PARKING (07) - BRAKES
13
3
14
11
16
6a
2
4
18
6
24
12
19
26
25
22
15
20
9
7
7a
21
1
5
23
10
8
17
FIT
1:1
100%

Артикул

Название

Примечание

Количество

196173A1

REMAN-TRANSMISSION

Incl. 06-04 - 06-20, 07-01

1шт.

196173A1R

REMAN-TRANSMISSION

721C CASE WHEEL LOADER

1шт.

196173A1C

CORE-TRANSMISSION

Return Number

1шт.

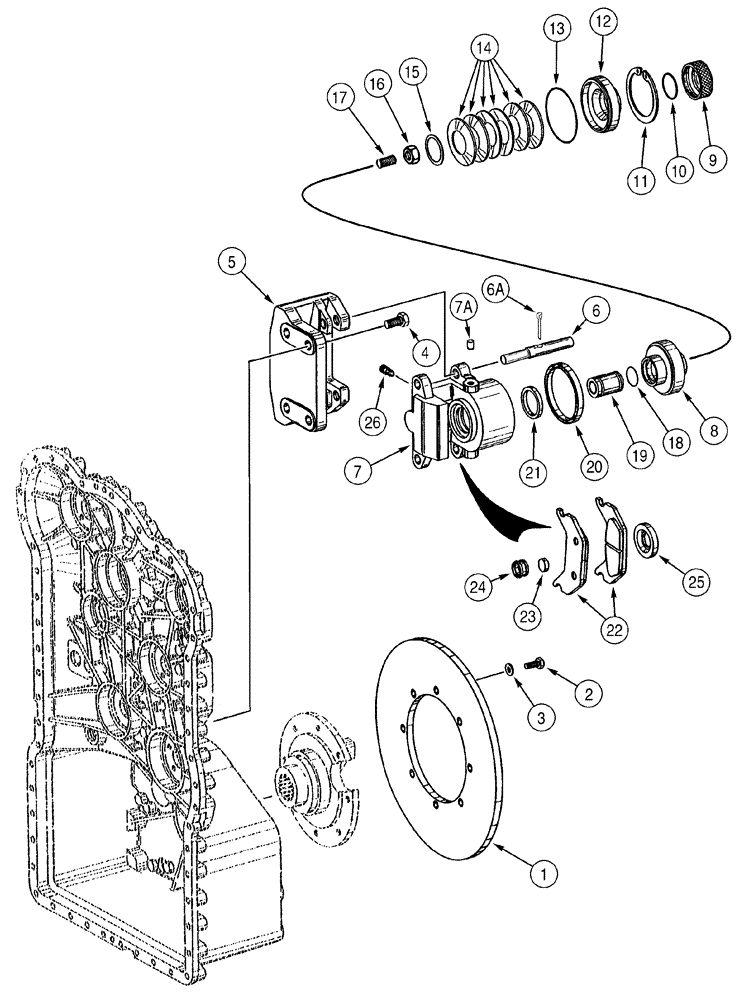
1

330870A1

BRAKE DISC

DISC, BRAKE

1шт.

2

626-10025

BOLT,Hex, M10 x 1.5 x 25mm, Cl 10.9, Full Thd

8шт.

4

330872A1

CAPSCREW,Hex, M14 x 45mm

4шт.

5

330874A1

LARGE PLATE

PLATE, LARGE

1шт.

331754A1

BRAKE ASSY.

Incl. 6 - 26

1шт.

6

352021A1

PIN

2шт.

6a

352022A1

PIN

2шт.

7

330883A1

HOUSING

1шт.

7a

331974A1

SCREW

1шт.

8

330884A1

JACK PISTON

1шт.

9

330898A1

CAPSCREW,Flg, 5/16" - 18 x 5 3/4", Gr 8

1шт.

10

330899A1

O-RING

1шт.

11

330897A1

RING

1шт.

12

330885A1

RING

1шт.

13

NSS

NOT SOLD SEPARAT

O-Ring; Order Kit 87439453

1шт.

87439453

SEAL KIT

1шт.

14

330893A1

WASHER

6шт.

15

330894A1

SHIM

1шт.

16

330902A1

NUT

1шт.

17

330901A1

SET SCREW

1шт.

18

330895A1

O-RING

1шт.

19

330886A1

JACK PISTON

1шт.

20

NSS

NOT SOLD SEPARAT

Seal; Order Kit 87439453

1шт.

21

NSS

NOT SOLD SEPARAT

Seal; Order Kit 87439453

1шт.

22

330887A1

BRAKE PAD

PAD, BRAKE

2шт.

23

330888A1

MAGNET

1шт.

24

330889A1

RING

1шт.

25

NSS

NOT SOLD SEPARAT

Cap, Dust; Order Kit 87439453

1шт.

26

330900A1

BREATHER

1шт.

3

895-11010

WASHER,11mm ID x 20mm OD x 2mm Thk

11 x 21 x 2 mm

8шт.

Выбрано товаров: 33