Запчасти Case 721C (02-12) - TURBOCHARGER SYSTEM (02) - ENGINE

Схема запчастей Case 721C - (02-12) - TURBOCHARGER SYSTEM (02) - ENGINE
15
14
21
4
8
9
13
10
19
17
7
15
12
3
14
13
18
20
1
6
16
18
17
22
16
2
23
24
14
14
11
FIT
1:1
100%

Артикул

Название

Примечание

Количество

6T-830 Emissions Certified Engine

1шт.

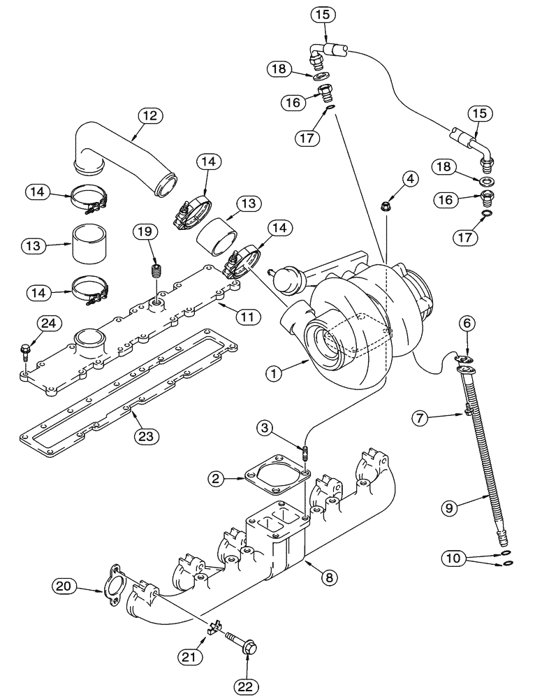
1

J535635

TURBOCHARGER

No Longer Available, Order J802651

1шт.

1

J802651

TURBOCHARGER

Replaces J535635

1шт.

2

J911941

GASKET

1шт.

3

J818823

STUD

4шт.

4

J818824

FLANGE NUT

M10

4шт.

6

J942725

GASKET

1шт.

7

844-8020

BOLT,Hvy Hex, M8 x 20mm, Cl 8.8

2шт.

8

J932180

MANIFOLD

1шт.

9

J928629

TUBE

Incl. 10

1шт.

10

238-7115

O-RING,0.103" Thk x 0.674" ID, -115, Cl 7, 75 Duro

2шт.

11

J922648

COVER ASSY

1шт.

12

J906742

TUBE,63.5 mm OD

1шт.

13

J916437

HOSE

2шт.

14

J924386

COLLAR CLAMP

4шт.

15

J918562

HOSE

538 mm (21-1/4")

1шт.

16

J919687

HYD CONNECTOR

Incl. 17

2шт.

17

238-5013

O-RING,0.07" Thk x 0.426" ID, -13, Cl 5, 75 Duro

1шт.

18

222-993

GASKET,3/8 Tube, Fl, Copper

2шт.

19

A77429

PLUG

1/2 PT

1шт.

20

J929012

GASKET,0.5mm Thk

6шт.

21

J914708

LOCKING PLATE

12шт.

22

814-10070

BOLT,Hex, M10 x 1.5 x 70mm, Cl 8.8

12шт.

23

J914311

MANIFOLD GASKET

1шт.

24

844-8030

BOLT,Hex, M8 x 1.25 x 30mm, Cl 8.8

18шт.

Выбрано товаров: 25