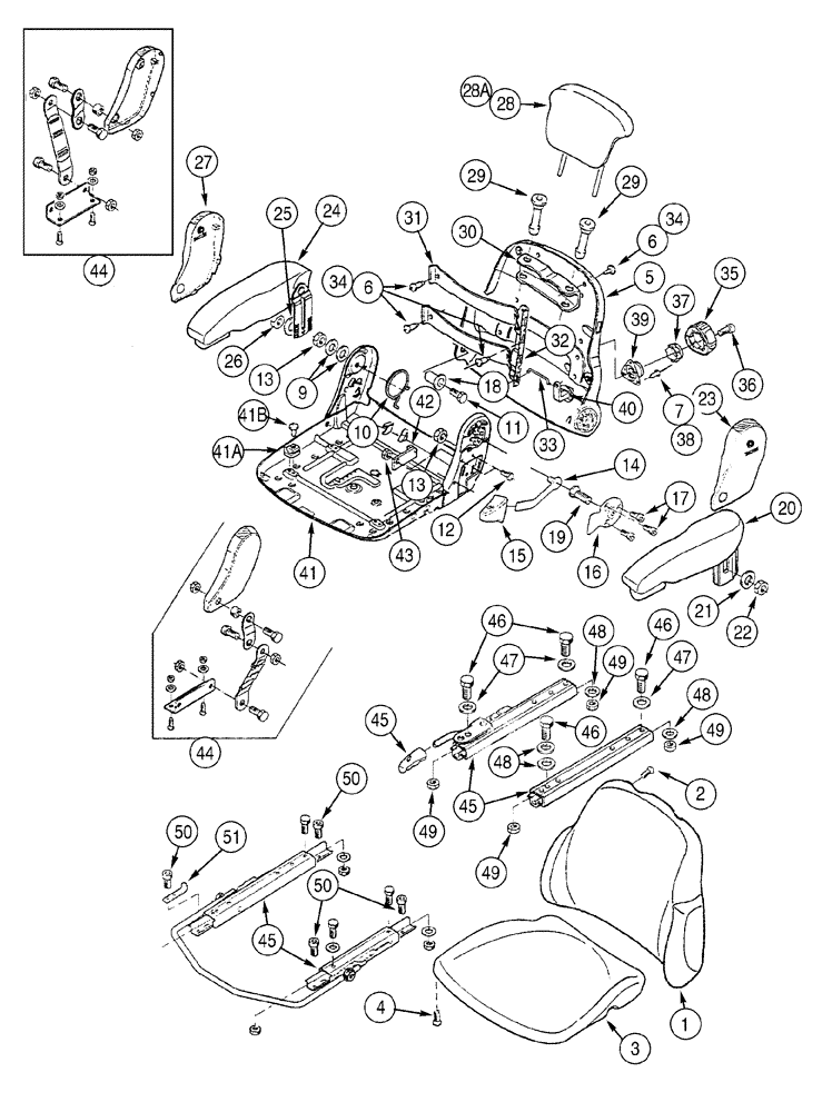
Запчасти Case 721C (09-32) - SEAT ASSY, MECHANICAL SUSPENSION (09) - CHASSIS

Схема запчастей Case 721C - (09-32) - SEAT ASSY, MECHANICAL SUSPENSION (09) - CHASSIS
45
43
7
45
29
4
41a
46
48
45
41
50
1
49
39
27
14
17
19
30
28a
33
28
50
35
48
50
10
44
24
51
20
47
13
12
21
34
11
26
42
2
46
5
31
16
38
46
15
18
23
34
32
49
29
6
47
48
40
13
41b
9
22
25
49
49
37
6
44
36
3
FIT
1:1
100%

Артикул

Название

Примечание

Количество

Upper Seat Assembly

1шт.

328474A1

SEAT ASSY.

Vinyl, Mechanical Suspension, Incl. 346300A1, 346085A1, 1 - 51, See Figure 09-33

1шт.

328475A1

SEAT

Cloth, Mechanical Suspension, Incl. 347041A1, 346085A1, 1 - 51, See Figure 09-33

1шт.

346085A1

SEAT

Not Illustrated, See Figure 09-33

1шт.

346300A1

SEAT

Vinyl, Upper Seat Assembly, Incl. 1 - 51

1шт.

347041A1

SEAT

Cloth, Upper Seat Assembly, Incl. 1 - 51

1шт.

346301A1

CUSHION

Vinyl, Incl. 1, 2

1шт.

347042A1

CUSHION

Cloth, Incl. 1, 2

1шт.

1

NSS

NOT SOLD SEPARAT

Cushion, Backrest

1шт.

2

345726A1

SCREW

4шт.

346302A1

CUSHION

Vinyl, Incl. 3, 4

1шт.

347043A1

CUSHION

Cloth, Incl. 3, 4

1шт.

3

NSS

NOT SOLD SEPARAT

Cushion, Seat

1шт.

4

345726A1

SCREW

4шт.

345764A1

BACKREST

Backrest, Incl. 5 - 7

1шт.

5

NSS

NOT SOLD SEPARAT

Cover

1шт.

6

345731A1

SCREW

7шт.

7

345771A1

RIVET

3шт.

345778A1

REPAIR KIT

Hardware, Backrest Adjustment, Incl. 9 - 19

1шт.

9

934058R1

WASHER,8.4mm ID x 15mm OD x 1.6mm Thk

2шт.

10

345743A1

SPRING

1шт.

11

345748A1

SCREW

M8 x 40

1шт.

12

864-8016

HEX SOC SCREW,M8 x 16mm, Cl 8.8

2шт.

13

60-4845T1

NUT

2шт.

14

345749A1

LEVER

1шт.

15

345752A1

HANDLE

1шт.

16

345753A1

PLATE

1шт.

17

345754A1

SCREW

M6 x 10

3шт.

18

345774A1

BUSHING

1шт.

19

345776A1

SCREW

M8 x 18

1шт.

20

345744A1

ARMREST

Left-Hand, Incl. 21, 22

1шт.

21

345729A1

WASHER

1шт.

22

832-10408

NUT,M8 x 1.25, Cl 8.8

1шт.

23

345741A1

COVER

Left-Hand

1шт.

24

345755A1

ARMREST

Right-Hand, Incl. 25, 26

1шт.

25

345729A1

WASHER

1шт.

26

832-10408

NUT,M8 x 1.25, Cl 8.8

1шт.

27

345756A1

COVER

Right-Hand

1шт.

28

346303A1

SEAT HEADREST

Vinyl

1шт.

28a

345727A1

SEAT HEADREST

Cloth

1шт.

29

345765A1

FERRULE

2шт.

30

345766A1

RETAINER

1шт.

345767A1

SUPPORT

Lumbar Support, Incl. 31 - 40

1шт.

31

345732A1

PLATE

2шт.

32

345733A1

PLATE

1шт.

33

345730A1

ROD

1шт.

34

345731A1

SCREW

7шт.

35

345769A1

HANDLE

Incl. 36

1шт.

36

345768A1

SCREW

M6 x 10

1шт.

37

345770A1

PAWL

1шт.

38

345771A1

RIVET

3шт.

39

345772A1

SUPPORT

1шт.

40

345773A1

LEVER

1шт.

41

345747A1

FRAME

Incl. 41A, 41B

1шт.

41a

345737A1

GUIDE

4шт.

41b

345777A1

RIVET

4шт.

42

345786A1

STOP

1шт.

43

832-10408

NUT,M8 x 1.25, Cl 8.8

1шт.

44

345785A1

KIT

Tether Belt

1шт.

45

345783A1

RAIL ASSY.

Seat Slide Rails, See Figure 09-33

1шт.

46

16043224

BOLT,Hex, M8 x 16mm, Cl 8.8

4шт.

47

345729A1

WASHER

3шт.

48

934058R1

WASHER,8.4mm ID x 15mm OD x 1.6mm Thk

4шт.

49

345728A1

NUT

M8

4шт.

50

864-8025

HEX SOC SCREW,M8 x 25mm, Cl 8.8

6шт.

51

346103A1

SUPPORT

1шт.

Выбрано товаров: 66