Запчасти Case 721C (04-16) - HARNESS, REAR - RELAY PANEL (04) - ELECTRICAL SYSTEMS

Схема запчастей Case 721C - (04-16) - HARNESS, REAR - RELAY PANEL (04) - ELECTRICAL SYSTEMS
25
13
19
20
7
24
4
7
4
23
12
23
3
3
18
7
17
3
5
24
6
4
2
8
11
5
10
27
1
26
21
9
14
16
22
FIT
1:1
100%

Артикул

Название

Примечание

Количество

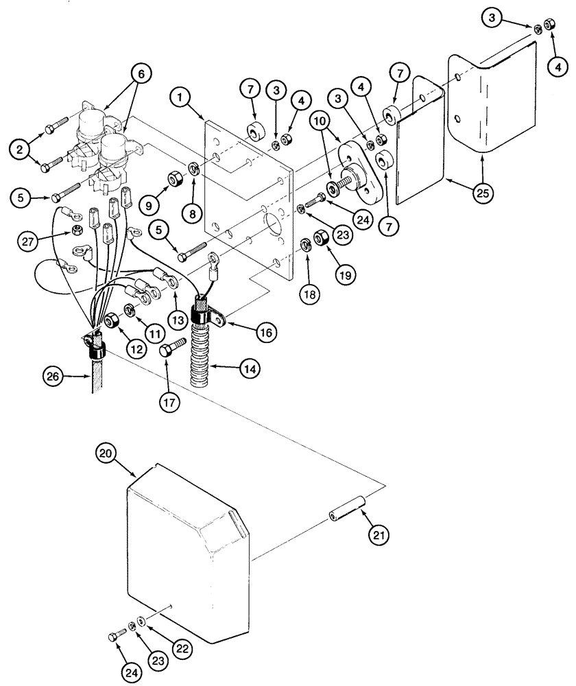
1

125058A1

LARGE PLATE

PLATE, LARGE Relay

1шт.

2

627-6020

BOLT,Hex, M6 x 1 x 20mm, Cl 10.9, Full Thd

2шт.

3

895-11006

WASHER,6.6mm ID x 12mm OD x 1.6mm Thk

4шт.

4

829-1406

NUT,Hex, M6 x 1, Cl 10.9

M6; 10.9

4шт.

5

627-6030

BOLT,Hex, M6 x 1 x 30mm, Cl 10.9, Full Thd

4шт.

6

120398A1

RELAY

24v

2шт.

7

D44696

BUSHING

4шт.

9

829-1410

NUT,M10 x 1.5, Cl 10.9

2шт.

L124085

CONNECTOR, ELEC

CONNECTOR Terminal, Incl. 10 - 12

1шт.

10

NSS

NOT SOLD SEPARAT

Body

1шт.

11

425-106

NUT,3/8"-16, Cl 5

1шт.

12

492-11038

LOCK WASHER,3/8"

1шт.

13

128785A1

ELECTRICAL WIRE

WIRE Jumper

1шт.

14

128784A1

HARNESS

1шт.

16

515-23190

CLAMP,3/4", Insul, 3/8" Bolt

1шт.

17

627-10025

BOLT,Hex, M10 x 1.5 x 25mm, Cl 10.9, Full Thd

2шт.

19

829-1410

NUT,M10 x 1.5, Cl 10.9

2шт.

20

L114612

COVER

1шт.

21

253065A1

SPACER

Relay Cover

1шт.

22

495-21031

WASHER,1/4"

5/16 x 3/4 x 1/16

1шт.

23

895-11006

WASHER,6.6mm ID x 12mm OD x 1.6mm Thk

2шт.

24

627-6020

BOLT,Hex, M6 x 1 x 20mm, Cl 10.9, Full Thd

4шт.

25

L125774

PROTECTOR

Terminal Block

1-2шт.

26

284510A2

HARNESS

Relay

1шт.

8

895-11010

WASHER,11mm ID x 20mm OD x 2mm Thk

11 x 21 x 2 mm

2шт.

18

895-11010

WASHER,11mm ID x 20mm OD x 2mm Thk

11 x 21 x 2 mm

2шт.

Выбрано товаров: 26