Запчасти Case 821C (04-44) - RADIO MOUNTING (04) - ELECTRICAL SYSTEMS

Схема запчастей Case 821C - (04-44) - RADIO MOUNTING (04) - ELECTRICAL SYSTEMS
5
4
3
13
14
8
16
10
19
15
9
11
18
6
7
12
2
1
FIT
1:1
100%

Артикул

Название

Примечание

Количество

Radio Ready System

1шт.

12 Volt

1шт.

24 Volt

1шт.

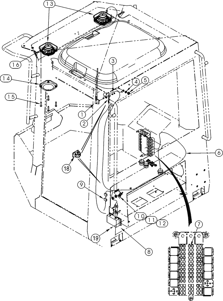
1

197745A1

ANTENNA

1шт.

2

316654A1

CABLE ASSY.

Antenna

1шт.

3

316655A1

GROUND CABLE

1шт.

4

893-11006

LOCK WASHER,Ext Tooth, M6

1шт.

5

829-1406

NUT,Hex, M6 x 1, Cl 10.9

M6; 10.9

1шт.

6

277919A1

HARNESS

Radio

1шт.

7

A149799

FUSE

7,5 amp

1шт.

8

277982A1

TRANSFORMER

24 - 12 V

1шт.

9

319160A1

WIRE HARNESS

Radio Installation

1шт.

10

316666A1

SUPPORT

Radio, Use Existing Hardware

1шт.

11

895-11006

WASHER,6.6mm ID x 12mm OD x 1.6mm Thk

No Longer Used

2шт.

12

829-1406

NUT,Hex, M6 x 1, Cl 10.9

M6; 10.9, No longer used

2шт.

13

182721A2

SPEAKER

5-1/2

2шт.

14

187281A1

COVER

2шт.

15

761-17325

SELF-TAP SCREW,Pan Hd, M4.2 x 25

8шт.

16

302862A1

SPRING NUT,4.2 Thread

8шт.

17

L18337

CABLE TIE,9.95"-12.1" lg

CABLE STRAP , 15 in

2шт.

18

169850C2

CABLE CLIP

2шт.

19

760-14113

SELF-TAP SCREW,Pan Hd, M3.5 x 13

2шт.

Выбрано товаров: 22