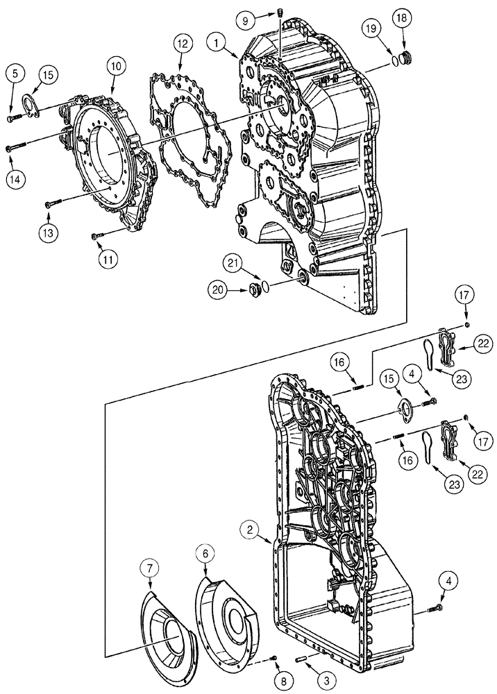
Запчасти Case 821C (06-06) - TRANSMISSION ASSY HOUSING (06) - POWER TRAIN

Схема запчастей Case 821C - (06-06) - TRANSMISSION ASSY HOUSING (06) - POWER TRAIN
8
21
3
1
16
22
9
6
14
11
15
16
22
23
2
7
4
4
15
23
17
19
10
18
5
12
13
17
20
FIT
1:1
100%

Артикул

Название

Примечание

Количество

196174A1

GEARBOX

Consists Of 6-13 - 6-59, 7-3

1шт.

196174A1R

REMAN-TRANSMISSION

821C CASE WHEEL LOADER (S/N JEE0155000 & BEFORE)

1шт.

196174A1C

CORE-TRANSMISSION

Return Number

1шт.

1

331683A1

HOUSING

Rear

1шт.

2

331684A1

HOUSING

Front

1шт.

3

331685A1

PIN

2шт.

4

334668A1

CAPSCREW,Hex, M10 x 50mm

M10 x 50

53шт.

5

330802A1

CAPSCREW,Hex, M10 x 40mm

M10 x 40, No Longer Available, Order 331689A1

2шт.

5

331689A1

CAPSCREW,M10 x 40mm

M10 x 65, Replaces 330802A1

2шт.

6

331688A1

SCREEN

Gear

1шт.

7

331687A1

SCREEN

1шт.

8

330806A1

CAPSCREW,M8 x 12mm

5шт.

9

N14704

BREATHER

1шт.

10

330807A1

HOUSING

Oil Supply

1шт.

11

330808A1

CAPSCREW,Flg, 5/16" - 18 x 5", Gr 8

15шт.

12

330809A1

GASKET

1шт.

13

330810A1

CAPSCREW,M8 x 14mm

21шт.

14

330811A1

CAPSCREW,Flg, 5/16" - 18 x 5 1/2", Gr 8

4шт.

15

330817A1

LARGE PLATE

PLATE, LARGE

2шт.

16

330814A1

STUD

M8 x 25

12шт.

17

330816A1

NUT

M8

12шт.

18

330818A1

PLUG

Includes 19

1шт.

19

330819A1

O-RING

1шт.

20

330820A1

PLUG

Includes 21

1шт.

21

330819A1

O-RING

1шт.

22

330812A1

COVER

Includes 23

2шт.

23

330813A1

O-RING

2шт.

Выбрано товаров: 27