Запчасти Case 821C (06-14) - TRANSMISSION SHAFT, OUTPUT (06) - POWER TRAIN

Схема запчастей Case 821C - (06-14) - TRANSMISSION SHAFT, OUTPUT (06) - POWER TRAIN
2
9
5
3
3
9
8
6
2
7
1
6
7
4
8
FIT
1:1
100%

Артикул

Название

Примечание

Количество

196174A1

GEARBOX

Consists Of 6-13 - 6-59, 7-3

1шт.

196174A1R

REMAN-TRANSMISSION

821C CASE WHEEL LOADER (S/N JEE0155000 & BEFORE)

1шт.

196174A1C

CORE-TRANSMISSION

Return Number

1шт.

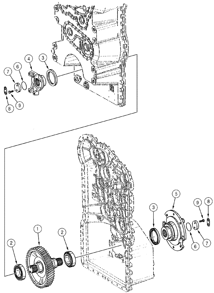
1

331963A1

SHAFT

1шт.

2

331914A1

BEARING, ROLLER

2шт.

3

E135151

OIL SEAL

2шт.

4

334726A1

COUPLING FLANGE

Output, Rear

1шт.

5

334729A1

COUPLING FLANGE

Output Flange, For Parking Brake Assembly, See Page(s) 7-3

1шт.

6

187244A1

GASKET,4mm Thk x 48mm ID

2шт.

7

E135181

WASHER

2шт.

8

E135165

PLATE

PLATE, LARGE

2шт.

9

331964A1

SCREW

M10 x 30

4шт.

Выбрано товаров: 12