Запчасти Case 821C (06-23) - AXLE MOUNTING JEE0123403- (06) - POWER TRAIN

Схема запчастей Case 821C - (06-23) - AXLE MOUNTING JEE0123403- (06) - POWER TRAIN
3
2
4
6
5
5
5
7
5
7
1
6
8
8
FIT
1:1
100%

Артикул

Название

Примечание

Количество

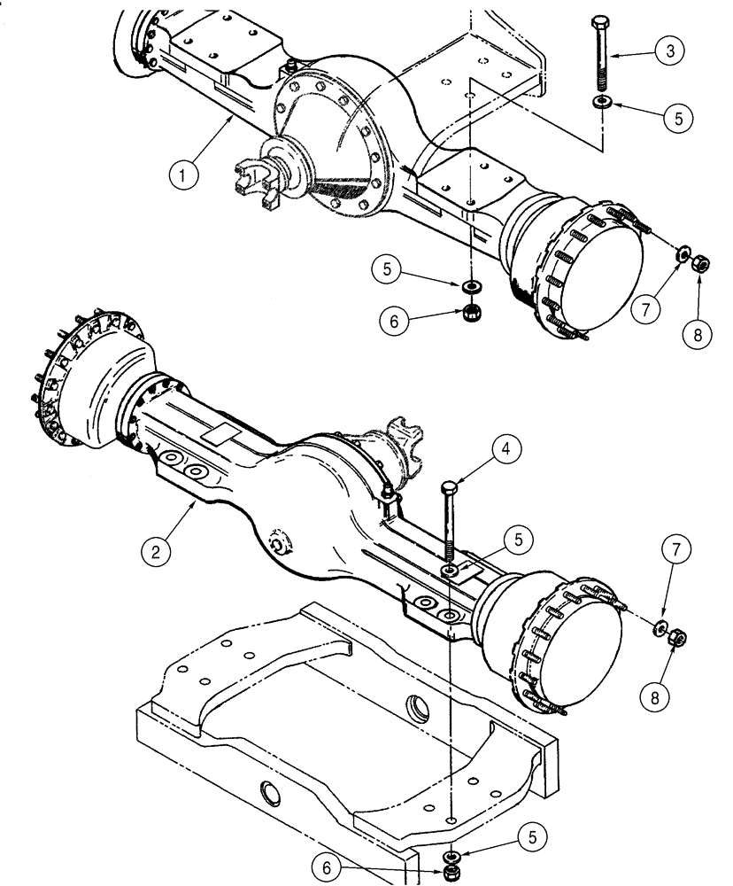
1

293102A1

AXLE

Front ZF No 4474 053 007, See Page(s) 6--23, 25, 27, 28, 30, 32 If Used

1шт.

2

293103A1

AXLE

Rear ZF No 4474 052 015, See Page(s) 6-34, 36, 37, 39, 41, If Used

1шт.

3

328-1696

BOLT,Hex, 1" - 14 x 6", Gr 8

8шт.

4

328-1696

BOLT,Hex, 1" - 14 x 6", Gr 8

8шт.

5

496-21106

WASHER,1 1/16" x 2" x .209", HDN

32шт.

6

232-24416

NUT,1"-14, GC

16шт.

7

496-31094

WASHER,15/16" x 1 3/4" x .219", HDN

64шт.

8

429-1714

NUT,7/8"-14, G8, Hvy

64шт.

Выбрано товаров: 8