Запчасти Case 821C (07-01) - BRAKE, PARKING (07) - BRAKES

Схема запчастей Case 821C - (07-01) - BRAKE, PARKING (07) - BRAKES
12
25
19
17
9
4
23
1
15
8
10
16
11
7
7a
14
24
18
2
13
22
21
6
20
5
3
26
6a
FIT
1:1
100%

Артикул

Название

Примечание

Количество

196174A1

GEARBOX

Consists Of 6-13 - 6-59, 7-3

1шт.

196174A1R

REMAN-TRANSMISSION

821C CASE WHEEL LOADER (S/N JEE0155000 & BEFORE)

1шт.

196174A1C

CORE-TRANSMISSION

Return Number

1шт.

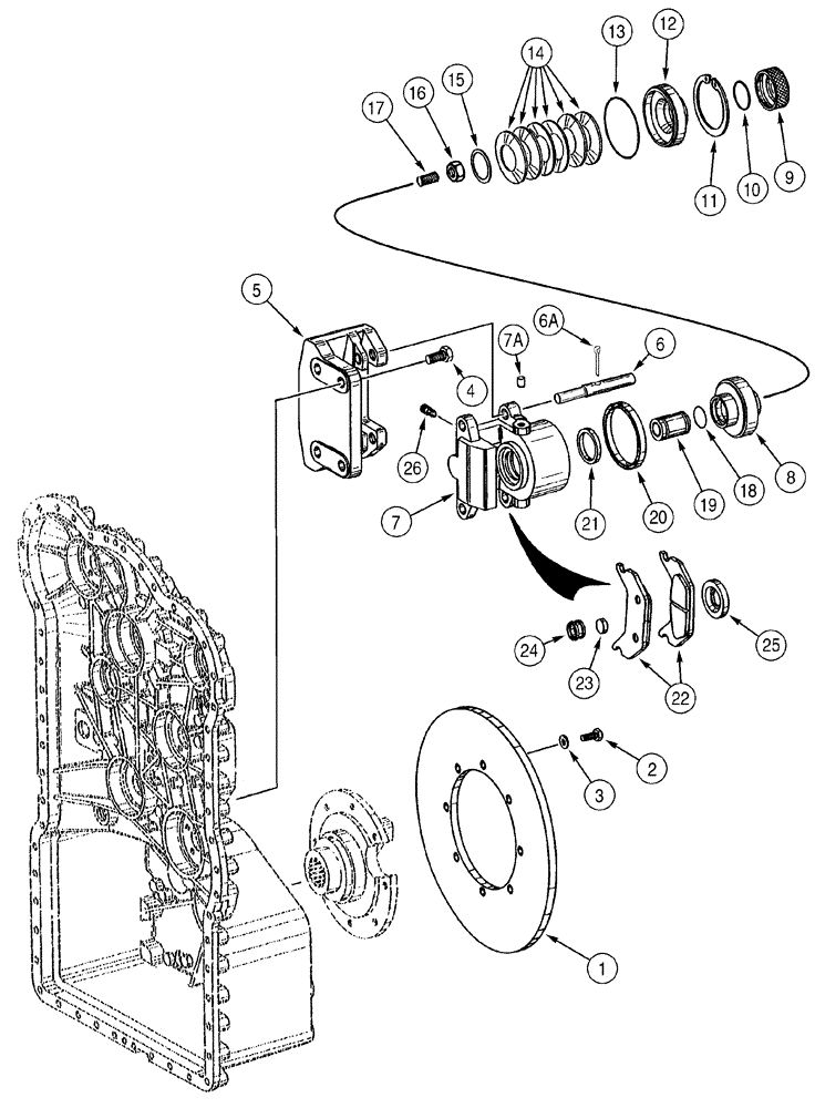
1

330870A1

BRAKE DISC

DISC, BRAKE

1шт.

2

626-10025

BOLT,Hex, M10 x 1.5 x 25mm, Cl 10.9, Full Thd

8шт.

3

895-11010

WASHER,11mm ID x 20mm OD x 2mm Thk

11 x 21 x 2 mm

8шт.

4

330872A1

CAPSCREW,Hex, M14 x 45mm

4шт.

5

330874A1

LARGE PLATE

PLATE, LARGE

1шт.

331754A1

BRAKE ASSY.

Consists Of 6 - 26

1шт.

6

352021A1

PIN

2шт.

6a

352022A1

PIN

2шт.

7

330883A1

HOUSING

1шт.

7a

331974A1

SCREW

1шт.

8

330884A1

JACK PISTON

1шт.

9

330898A1

CAPSCREW,Flg, 5/16" - 18 x 5 3/4", Gr 8

1шт.

10

330899A1

O-RING

1шт.

11

330897A1

RING

1шт.

12

330885A1

RING

1шт.

13

330896A1

O-RING

1шт.

14

330893A1

WASHER

6шт.

15

330894A1

SHIM

1шт.

16

330902A1

NUT

1шт.

17

330901A1

SET SCREW

1шт.

18

330895A1

O-RING

1шт.

19

330886A1

JACK PISTON

1шт.

20

330892A1

SEALING RING

SEALRING

1шт.

21

330891A1

SEALING RING

NLS, Order Kit 87439453

1шт.

22

330887A1

BRAKE PAD

PAD, BRAKE

2шт.

23

330888A1

MAGNET

1шт.

24

330889A1

RING

1шт.

25

330890A1

DUST CAP

1шт.

26

330900A1

BREATHER

1шт.

Выбрано товаров: 32