Запчасти Case 821C (07-02) - BRAKE PEDALS (07) - BRAKES

Схема запчастей Case 821C - (07-02) - BRAKE PEDALS (07) - BRAKES
22
5
15
10
20
11
6
23
18
1
11
12
21
2
17
14
16
1
10
12
4
13
3
9
16
19
10
7
7
24
1616
FIT
1:1
100%

Артикул

Название

Примечание

Количество

311476A1

VALVE

Left Hand, Includes Main Brake Valve, Consists Of 1-11, If Used

1шт.

370946A1

VALVE

Left Hand, Includes Main Brake Valve, Consists Of 1-11, If Used

1шт.

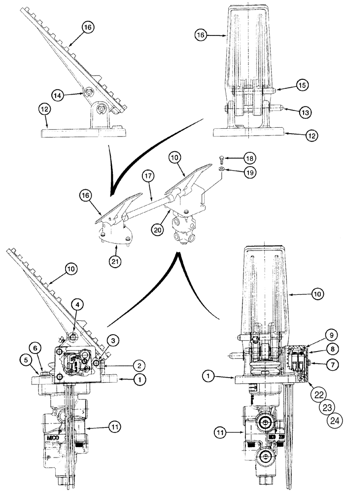
1

NSS

NOT SOLD SEPARAT

Base, Replaces 333118A1

1шт.

2

NSS

NOT SOLD SEPARAT

Plug, Replaces 333119A1

1шт.

3

NSS

NOT SOLD SEPARAT

Shaft, Replaces 333120A1

1шт.

4

NSS

NOT SOLD SEPARAT

Ring, E, Replaces 333130A1

1шт.

5

NSS

NOT SOLD SEPARAT

Washer, Replaces 333121A1

2шт.

6

NSS

NOT SOLD SEPARAT

Screw, Replaces 333122A1

2шт.

7

NSS

NOT SOLD SEPARAT

Screw, Replaces 333123A1

3шт.

8

NSS

NOT SOLD SEPARAT

Cover, Replaces 333124A1

1шт.

9

NSS

NOT SOLD SEPARAT

Seal, Replaces 333125A1

1шт.

10

333126A1

PEDAL ASSY.

Left Hand

1шт.

11

331968A1

VALVE

Main Brake Valve, Brake Pedal, See Page(s) 7-17

1шт.

315289A1

PEDAL

Right Hand, Tag-Along Pedal, Consists Of 12-16

1шт.

12

NSS

NOT SOLD SEPARAT

Base, Replaces 333345A1

1шт.

13

NSS

NOT SOLD SEPARAT

Pin, Replaces 333346A1

1шт.

14

NSS

NOT SOLD SEPARAT

Ring, E, Replaces 333130A1

4шт.

15

NSS

NOT SOLD SEPARAT

Pin, Replaces 333347A1

1шт.

16

333348A1

PEDAL

Right Hand

1шт.

17

315290A1

SHAFT

1шт.

18

627-8030

BOLT,Hex, M8 x 1.25 x 30mm, Cl 10.9, Full Thd

7шт.

19

895-11008

WASHER,9mm ID x 16mm OD x 1.6mm Thk

7шт.

20

278824A1

GASKET,3mm Thk

Left Hand Pedal

1шт.

21

277973A1

GASKET

Right Hand Pedal

1шт.

360047A1

BASE

Consists Of 22 - 24

1шт.

22

360048A1

HARNESS

1шт.

23

360049A1

SWITCH

1шт.

24

360050A1

SWITCH

BRAKE LIGHT

1шт.

Выбрано товаров: 28