Запчасти Case 821C (08-11) - HYDRAULICS FILTER TO RESERVOIR (08) - HYDRAULICS

Схема запчастей Case 821C - (08-11) - HYDRAULICS FILTER TO RESERVOIR (08) - HYDRAULICS
20
28
16
14
26
11
21
17
12
12
5
15
19
27
8
21
2
28
23
13
25
3
4
24
7
20
10
9
23
6
1
FIT
1:1
100%

Артикул

Название

Примечание

Количество

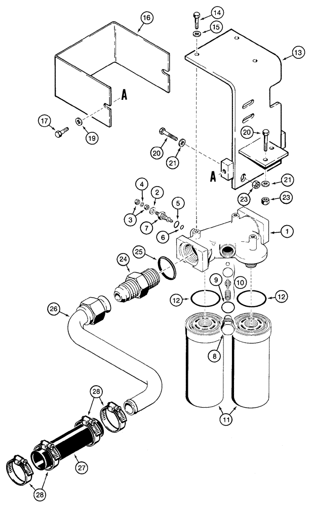
Oil Filter to Hydraulic Reservoir

1шт.

L126373

FILTER ASSY

Hydraulic Oil, Consists Of 1 - 12

1шт.

1

NSS

NOT SOLD SEPARAT

Head

1шт.

N13268

PRESSURE SWITCH

Restriction, Consists Of 2 - 7

1шт.

2

NSS

NOT SOLD SEPARAT

Washer, Red, White

1шт.

3

129-667

NUT,#10-32, LH

2шт.

4

493-21020

LOCK WASHER,Int Tooth, #10

(3/16")

1шт.

6

238-5011

O-RING,0.07" Thk x 0.301" ID, -11, Cl 5, 75 Duro

1шт.

7

NSS

NOT SOLD SEPARAT

Indicator, Order N13268

1шт.

8

NSS

NOT SOLD SEPARAT

Plug, Bypass Valve

1шт.

9

NSS

NOT SOLD SEPARAT

O-Ring

1шт.

10

NSS

NOT SOLD SEPARAT

50 psi, Valve, By-Pass, Order L126373

1шт.

Oil Filter to Hydraulic Reservoir

1шт.

N9025

HYDRAULIC OIL FILTER

Consists Of 11, 12

2шт.

11

NSS

NOT SOLD SEPARAT

Element, Order N9025

1шт.

12

70923815

O-RING,-230, 70 Duro, 2.484" ID x .139" Thk

1шт.

13

L126230

BRACKET

1шт.

14

426-620

BOLT,Hex, 3/8" - 16 x 1-1/4", Gr 8

3шт.

15

495-11041

WASHER,0.406" ID x 0.812" OD x 0.065" W

(13/32 x 13/16 x 1/16")

3шт.

16

L126231

PROTECTOR

1шт.

17

426-816

BOLT,Hex, 1/2" - 13 x 1", Gr 8

2шт.

19

496-21053

WASHER,17/32" x 1 1/16" x .134"

2шт.

20

827-12045

BOLT,Hex, M12 x 1.75 x 45mm, Cl 10.9, Full Thd

Replaces 827-12050

3шт.

21

896-15012

WASHER,13.5mm ID x 28mm OD x 4mm Thk

13,5 x 28 x 4 mm

3шт.

23

832-10412

NUT,M12 x 1.75, Cl 8

3шт.

24

218-5074

HYD CONNECTOR,1-7/8" - 12 Male JIC x 1-7/8" - 12 Male ORB

1-7/8 fl x Or, Includes 25, Filter to Return Tube

1шт.

25

237-6024

O-RING,0.118" Thk x 1.720" ID, -924, Cl 6, 90 Duro

1шт.

26

L126401

PIPE,38.09 mm OD x 373, 262 mm L

Filter to Hydraulic Reservoir

1шт.

27

L127301

HOSE,38.1 mm ID x 230.00 mm

1шт.

28

214-3132

HOSE CLAMP,1-1/4" - 2-1/8", HD Worm

4шт.

5

237-6006

O-RING,0.078" Thk x 0.468" ID, -906, Cl 6, 90 Duro

1шт.

Выбрано товаров: 31