Запчасти Case 821C (08-38) - HYDRAULICS LOADER CONTROL (08) - HYDRAULICS

Схема запчастей Case 821C - (08-38) - HYDRAULICS LOADER CONTROL (08) - HYDRAULICS
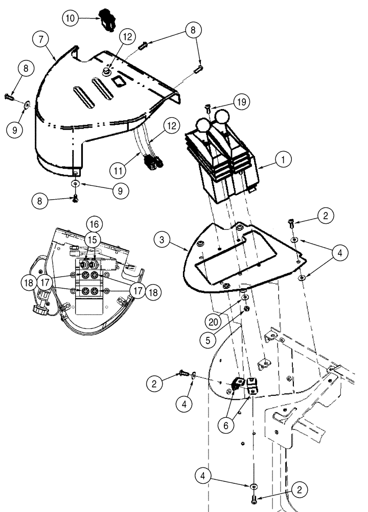
8
12
5
3
8
10
9
4
15
1
8
17
17
4
16
11
18
7
4
2
18
6
2
19
20
12
9
2
FIT
1:1
100%

Артикул

Название

Примечание

Количество

Dual Lever With Two Spool Valve

1шт.

If Used

1шт.

1

414157A1

VALVE

Dual Lever With Two Spool Valve

1шт.

2

840-1620

SCREW,Pan, M6 x 20mm, Cl 4.8

6шт.

3

407999A2

PLATE

1шт.

4

895-25006

WASHER,6.6mm ID x 18mm OD x 1.6mm Thk

6шт.

5

832-10405

NUT,M5 x .8, Cl 8

4шт.

6

400843A2

BRACKET

2шт.

7

407870A1

COVER

1шт.

8

239105A1

SCREW,Cross Pan Hd, M6 x 20mm

4шт.

9

1990502C1

WASHER

1/4 x 13/16 x 1/16 in

2шт.

10

400833A2

SWITCH

Forward/Neutral/Reverse

1шт.

11

402060A1

WIRE HARNESS

Forward / Neutral / Reverse Switch

1шт.

12

402390A1

SWITCH

Downshift, Includes 13, 14

1шт.

13

NSS

NOT SOLD SEPARAT

Washer, Lock, Not Illustrated

1шт.

14

NSS

NOT SOLD SEPARAT

Nut, Not Illustrated

1шт.

15

218-5135

ELBOW,45 Degree Elbow, 9/16" - 18 Male JIC x 9/16" - 18 Male ORB

Incl. 16

2шт.

17

218-5057

HYD CONNECTOR,9/16" - 18 JIC x 9/16" - 18 ORB

Incl. 18

4шт.

19

840-1516

SCREW,Pan, M5 x 16mm, Cl 4.8

4шт.

20

895-11005

WASHER,5.5mm ID x 10mm OD x 1mm Thk

4шт.

16

237-6006

O-RING,0.078" Thk x 0.468" ID, -906, Cl 6, 90 Duro

1шт.

18

237-6006

O-RING,0.078" Thk x 0.468" ID, -906, Cl 6, 90 Duro

1шт.

Выбрано товаров: 22