Запчасти Case 821C (02-16) - MUFFLER EXHAUST SYSTEM (02) - ENGINE

Схема запчастей Case 821C - (02-16) - MUFFLER EXHAUST SYSTEM (02) - ENGINE
3
12
17
16
1
5
4
7
11
10
19
12
12
6
7
2
18
7
7
7
9
7
7
9
FIT
1:1
100%

Артикул

Название

Примечание

Количество

European Models JEE0126216-

1шт.

1

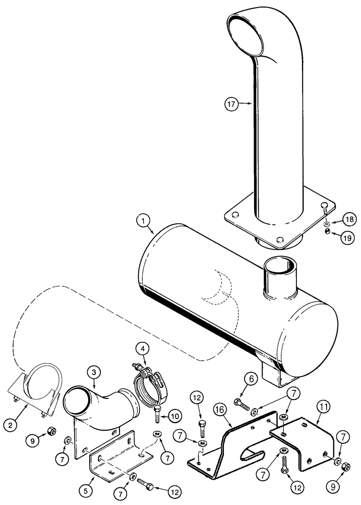
316784A1

MUFFLER

Standard

1шт.

1

316785A1

MUFFLER

Spark Arrester

1шт.

2

A162896

CLAMP

1шт.

3

197299A1

ELBOW

1шт.

4

A170807

CLAMP,102mm ID

1шт.

5

197302A1

SUPPORT

1шт.

6

627-10035

BOLT,Hex, M10 x 1.5 x 35mm, Cl 10.9, Full Thd

2шт.

7

896-15010

WASHER,11mm ID x 24mm OD x 3mm Thk

11 x 24 x 3 mm

16шт.

9

829-1410

NUT,M10 x 1.5, Cl 10.9

4шт.

10

627-10025

BOLT,Hex, M10 x 1.5 x 25mm, Cl 10.9, Full Thd

2шт.

11

418677A1

MOUNTING PARTS

1шт.

12

627-10030

BOLT,Hex, M10 x 1.5 x 30mm, Cl 10.9, Full Thd

8шт.

16

418676A2

BRACKET

1шт.

17

436220A1

PIPE, EXHAUST SYSTEM

PIPE, EXHAUST

1шт.

18

896-15012

WASHER,13.5mm ID x 28mm OD x 4mm Thk

13,5 x 28 x 4 mm

4шт.

19

829-1412

NUT,M12, Cl 10.9

4шт.

Выбрано товаров: 17