Запчасти Case 821C (08-62) - VALVE ASSY COMBINATION (08) - HYDRAULICS

Схема запчастей Case 821C - (08-62) - VALVE ASSY COMBINATION (08) - HYDRAULICS
7
12
9
11
9
12
10
2
1
4
3
2
9
1
10
11
8
5
6
4
2
3
1
FIT
1:1
100%

Артикул

Название

Примечание

Количество

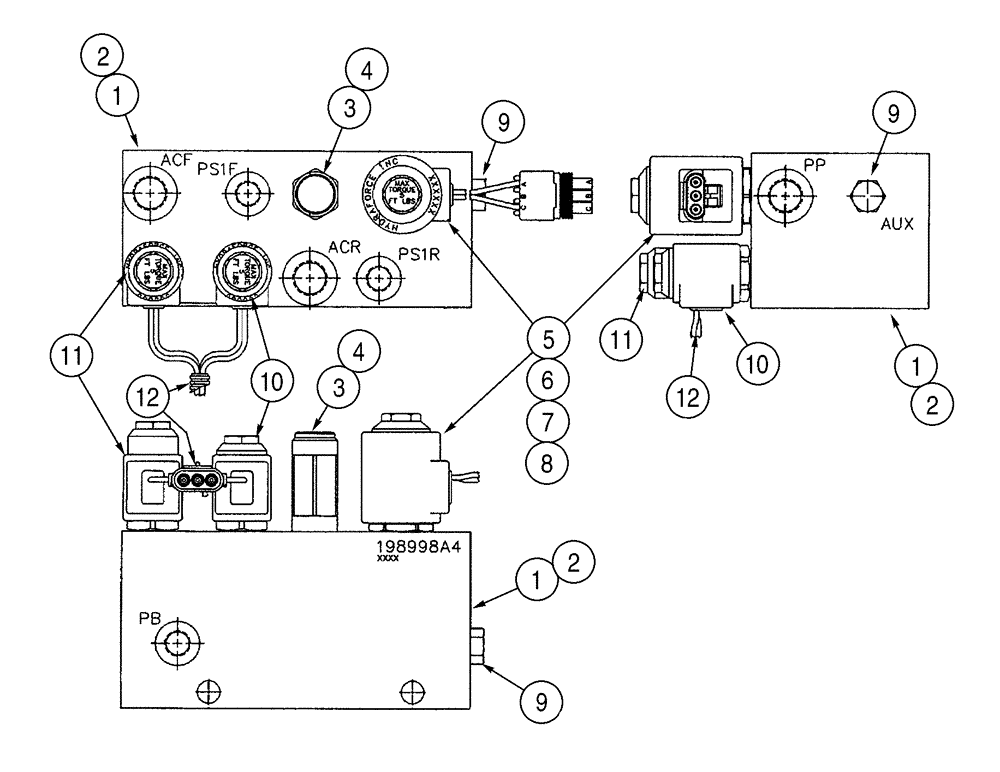
1

198998A4

VALVE

Combination Valve, Consists Of 1-12, If Used

1шт.

2

NSS

NOT SOLD SEPARAT

Housing

1шт.

3

294787A1

JET

1шт.

4

120470A2

VALVE

Includes 120469A1, Component Parts Not Serviced Separately, For Service Of External Seals, Order 120469A1

1шт.

120469A1

SEAL KIT

Seal, Component Parts Not Serviced Separately

1шт.

5

329480A1

VALVE

2-Way, Component Parts Not Serviced Separately, Includes 329484A1, 332377A1, 332378A1

1шт.

329484A1

SEAL KIT

Seal, Component Parts Not Serviced Separately

1шт.

6

332377A1

O-RING

Outer

1шт.

7

332378A1

O-RING

Center

1шт.

8

329482A1

COIL

With Male Connector

1шт.

9

353096A1

PLUG

1шт.

10

353091A1

SOLENOID

24V, Includes 329483A1

1шт.

329483A1

SEAL KIT

Component Parts Not Serviced Separately

1шт.

11

295941A1

SOLENOID

2-Way, Component Parts Not Serviced Separately, Includes 1542831C1

1шт.

1542831C1

SEAL KIT

Seal, Component Parts Not Serviced Separately

1шт.

12

353093A1

COIL

With Female Connector

1шт.

Выбрано товаров: 16