Запчасти Case 821C (08-65) - HYDRAULICS RIDE CONTROL (08) - HYDRAULICS

Схема запчастей Case 821C - (08-65) - HYDRAULICS RIDE CONTROL (08) - HYDRAULICS
11
6
30
8
2
22
7
9
11
31
20
20
23
26
10
28
15
14
19
21
9
29
19
20
21
10a
3
27
3
25
22
10a
17
1
18
21
16
13
24
10
5
8
FIT
1:1
100%

Артикул

Название

Примечание

Количество

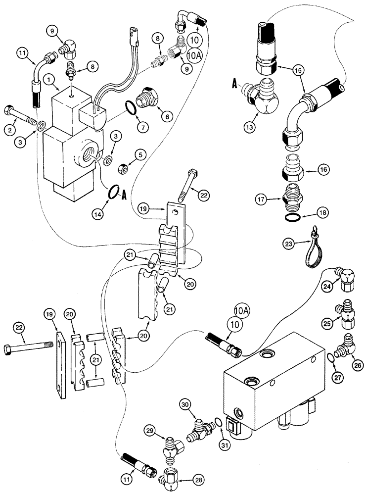
Master Valve to Cab and Return Manifold

1шт.

1

107866A1

VALVE

Master Directional, See Page(s) 8-203

1шт.

2

827-8060

BOLT,Hex, M8 x 1.25 x 60mm, Cl 10.9

2шт.

3

496-41034

WASHER,.344" x 1" x .098", HDN

4шт.

5

832-10408

NUT,M8 x 1.25, Cl 8.8

2шт.

6

218-5158

PLUG,Hex Hd, 1 1/16"-12 ORB

Includes 7

1шт.

7

237-6012

O-RING,0.116" Thk x 0.924" ID, -912, Cl 6, 90 Duro

1шт.

8

218-453

HYD CONNECTOR,9/16" - 18 Male JIC x 1/8" - 27 Male NPTF

2шт.

9

218-980

ELBOW,90 Degree, 9/16"-18, 37 Degree x 9/16"-18, 37 Degree Fem Sw

2шт.

10

L124308

HOSE,9.53mm ID x 2210mm L, SAE 100R3

2210 mm (87-1/8 in), Master Directional Valve to Combination Valve, If Used

1шт.

10a

304514A1

HOSE ASSY.

2470 mm (97-1/4 in), Master Directional Valve to Combination Valve, If Used

1шт.

11

304514A1

HOSE ASSY.

2470 mm (97-1/4 in), Ride Control Pressure to Hydraulic Controller Return Line

1шт.

13

218-5108

ELBOW,90 Degree Elbow, 1-1/16" - 12 Male JIC x 1-1/16" - 12 Male ORB

Incl. 14

1шт.

14

237-6012

O-RING,0.116" Thk x 0.924" ID, -912, Cl 6, 90 Duro

1шт.

Master Valve to Cab and Return Manifold

1шт.

15

131225A1

HOSE ASSY.

750 mm (29-1/2 in), Master Directional Valve to Loader Control Valve End Cover

1шт.

16

218-727

REDUCER,37 Degree, 1 5/8"-12, Fem x 1 1/16"-12 Male

1-5/8 str thr x 1-1/16 fl

1шт.

17

218-5041

HYD CONNECTOR,1-5/8" - 12 Male JIC x 1-7/8" - 12 Male ORB

1-5/8 fl x 1-7/8 Or, Includes 18

1шт.

18

237-6024

O-RING,0.118" Thk x 1.720" ID, -924, Cl 6, 90 Duro

1шт.

19

L124270

LARGE PLATE

PLATE, LARGE

2шт.

20

L124271

FIXING BRACKET

4шт.

21

L126936

SPACER

4шт.

22

827-10130

BOLT,Hex, M10 x 1.5 x 130mm, Cl 10.9

Replaces 827-10120

4шт.

23

L18337

CABLE TIE,9.95"-12.1" lg

CABLE STRAP , 15 in

1шт.

24

218-980

ELBOW,90 Degree, 9/16"-18, 37 Degree x 9/16"-18, 37 Degree Fem Sw

1шт.

25

218-5222

TEE,37 Degree, 9/16"-18, x 9/16"-18, Fem Sw Run

Models With Coupler and Ride Control, North America Only

1шт.

26

218-5105

ELBOW,90 Degree Elbow, 9/16" - 18 Male JIC x 9/16" - 18 Male ORB

Includes 27

1шт.

28

218-980

ELBOW,90 Degree, 9/16"-18, 37 Degree x 9/16"-18, 37 Degree Fem Sw

1шт.

29

218-836

TEE,37 Degree, 9/16"-18 x 9/16"-18, Fem Sw Br

1шт.

30

218-5243

TEE,9/16" - 18 Male JIC x 9/16" - 18 Male JIC x 9/16" - 18 Male ORB

Includes 31

1шт.

27

237-6006

O-RING,0.078" Thk x 0.468" ID, -906, Cl 6, 90 Duro

1шт.

31

237-6006

O-RING,0.078" Thk x 0.468" ID, -906, Cl 6, 90 Duro

1шт.

Выбрано товаров: 32