Запчасти Case 821C (09-11) - INSULATION FRONT CHASSIS (09) - CHASSIS

Схема запчастей Case 821C - (09-11) - INSULATION FRONT CHASSIS (09) - CHASSIS
11
5
4
10
3
11
2
14
1
6
7
11
9
13
13
14
12
8
12
12
13
FIT
1:1
100%

Артикул

Название

Примечание

Количество

All European Models

1шт.

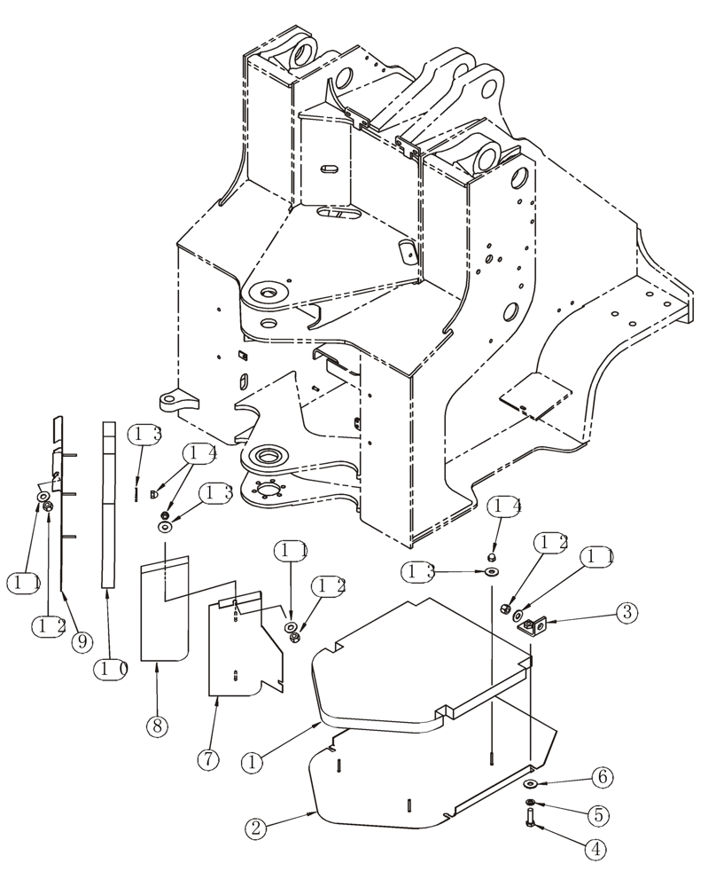
1

144353A2

PANEL

Chassis, Front

1шт.

2

144351A2

SHEET

Chassis, Front

1шт.

3

187194A1

ANGLE BAR

Mounting

4шт.

4

426-620

BOLT,Hex, 3/8" - 16 x 1-1/4", Gr 8

4шт.

5

492-11038

LOCK WASHER,3/8"

4шт.

6

496-81003

WASHER,10.31mm ID x 26.98mm OD x 3.07mm Thk

4шт.

7

144348A2

SHEET

Chassis, Right Hand Side

1шт.

8

144350A1

PANEL

Chassis, Right Hand Side

1шт.

9

144343A2

SHEET

Chassis, Left Hand Side

1шт.

10

144346A1

PANEL

Chassis, Left Hand Side

1шт.

11

495-21044

WASHER,3/8"

(7/16 x 1 x 5/64 in)

7шт.

12

832-10410

NUT,M10 x 1.5, Cl 8

7шт.

13

496-81003

WASHER,10.31mm ID x 26.98mm OD x 3.07mm Thk

9шт.

14

234-10431

CROWN NUT,Crown, 5/16"-18

9шт.

Выбрано товаров: 15