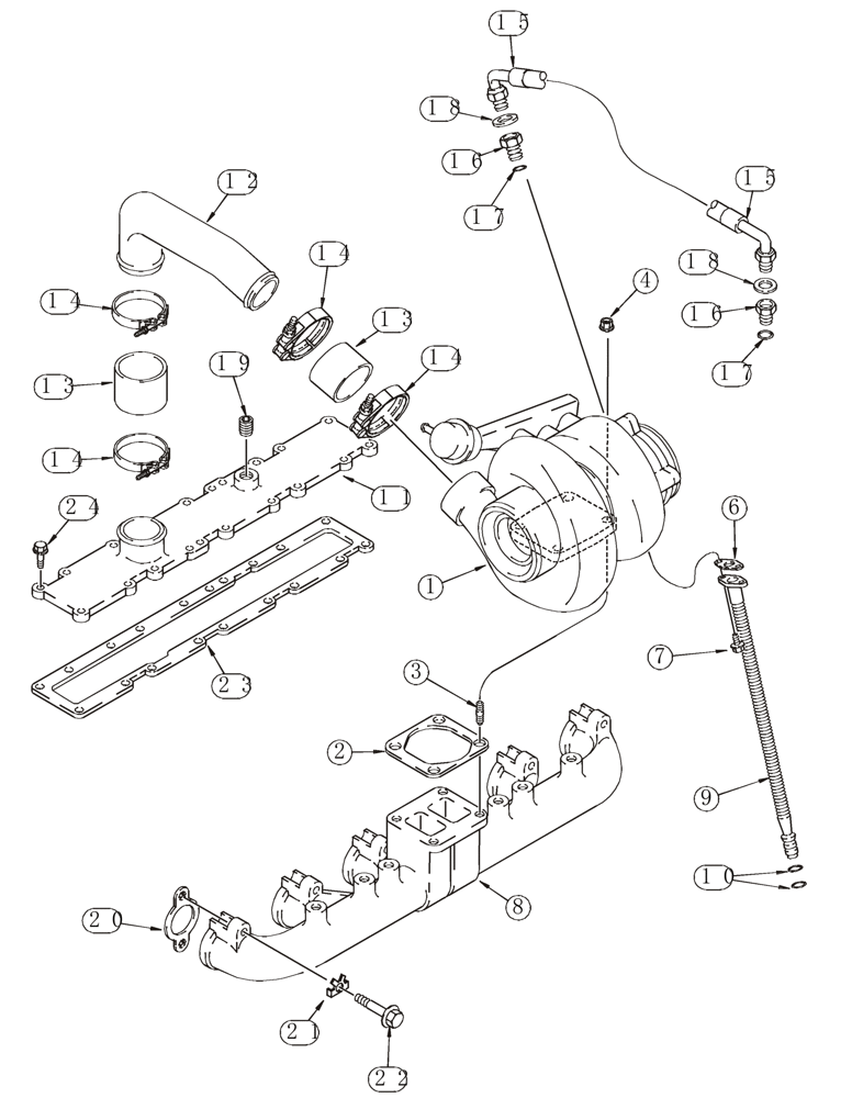
Запчасти Case 821C (02-23) - TURBOCHARGER SYSTEM MANIFOLDS (02) - ENGINE

Схема запчастей Case 821C - (02-23) - TURBOCHARGER SYSTEM MANIFOLDS (02) - ENGINE
9
17
14
16
20
17
1
18
16
6
3
2
23
14
11
13
13
10
19
7
14
8
15
14
12
22
18
21
24
4
15
FIT
1:1
100%

Артикул

Название

Примечание

Количество

6T-830 Emissions Certified Engine

1шт.

All North American Models

1шт.

European Models -JEE0126215

1шт.

Models With Engine No. 295271A1, 296653A1, 436664A2

1шт.

1

J802651

TURBOCHARGER

See Page(s) 2-33, Replaces J535635

1шт.

2

J911941

GASKET

1шт.

3

J818823

STUD

4шт.

4

J818824

FLANGE NUT

M10

4шт.

6

J937706

GASKET,0.79mm Thk

Replaces J942725, J285747

1шт.

7

844-8020

BOLT,Hvy Hex, M8 x 20mm, Cl 8.8

2шт.

8

J932180

MANIFOLD

1шт.

9

J928629

TUBE

Includes 10

1шт.

10

238-7115

O-RING,0.103" Thk x 0.674" ID, -115, Cl 7, 75 Duro

2шт.

11

J922648

COVER ASSY

1шт.

12

J906742

TUBE,63.5 mm OD

1шт.

6T-830 Emissions Certified Engine

1шт.

All North American Models

1шт.

European Models -JEE0126215

1шт.

Models With Engine No. 295271A1, 296653A1, 436664A2

1шт.

13

J916437

HOSE

2шт.

14

J924386

COLLAR CLAMP

4шт.

15

J918562

HOSE

538 mm (21-1/4")

1шт.

16

J919687

HYD CONNECTOR

Includes 17

2шт.

17

238-5013

O-RING,0.07" Thk x 0.426" ID, -13, Cl 5, 75 Duro

1шт.

18

222-993

GASKET,3/8 Tube, Fl, Copper

2шт.

19

A77429

PLUG

1/2 PT

1шт.

20

J929012

GASKET,0.5mm Thk

6шт.

21

J914708

LOCKING PLATE

12шт.

22

814-10070

BOLT,Hex, M10 x 1.5 x 70mm, Cl 8.8

12шт.

23

J936993

MANIFOLD GASKET,0.76mm Thk

Replaces J914311

1шт.

24

J938036

BOLT,Flng, M8 x 1.25 x 30mm, Cl 10.9

M8 x 30, Replaces 844-8030

18шт.

Выбрано товаров: 31