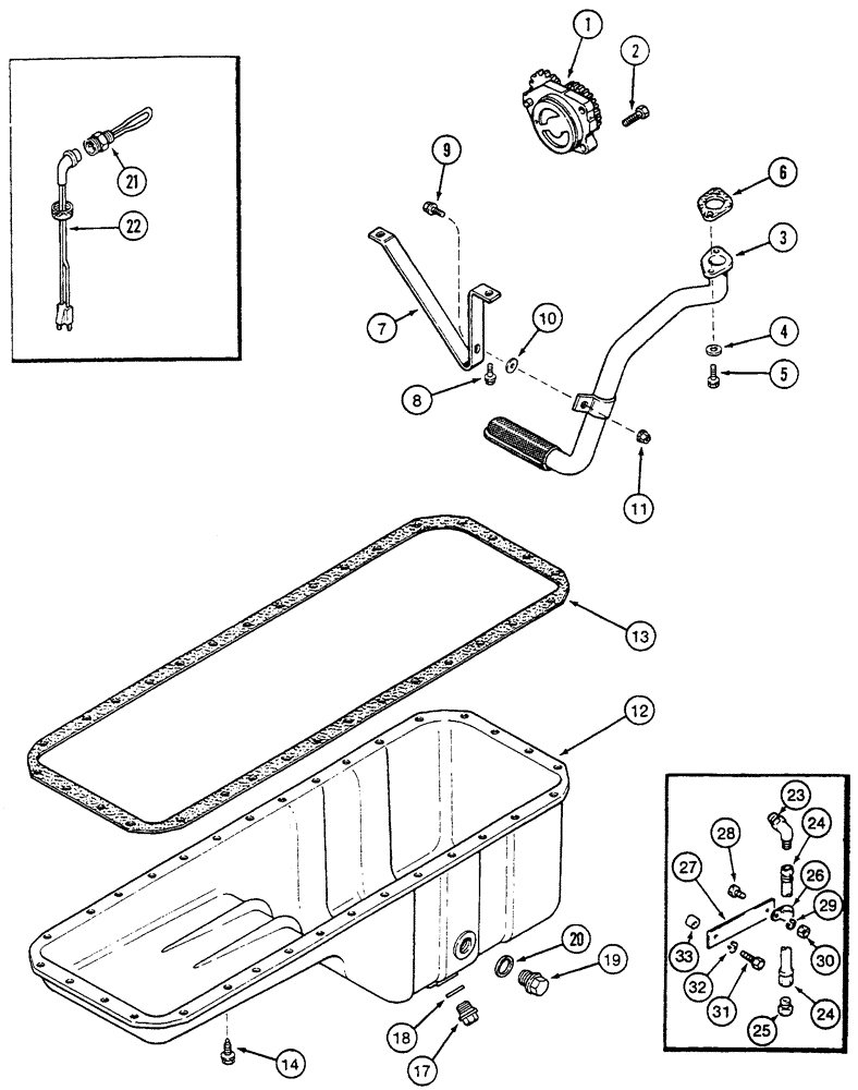
Запчасти Case 821C (02-32) - OIL PUMP, PAN HEATER (02) - ENGINE

Схема запчастей Case 821C - (02-32) - OIL PUMP, PAN HEATER (02) - ENGINE
29
11
28
4
32
12
26
10
17
8
3
21
31
19
25
6
7
23
9
24
2
5
13
18
14
27
1
30
24
33
20
22
FIT
1:1
100%

Артикул

Название

Примечание

Количество

6TAA-830 Emissions Certified Engine

1шт.

European Models JEE0126216-

1шт.

Models With Engine No. 376301A1

1шт.

1

J948072

ENGINE OIL PUMP

1шт.

2

J900677

BOLT,Hex

M8 x 30

4шт.

3

J910787

TUBE

1шт.

4

J926865

SPACER,6.9mm ID x 12.7mm OD x 14mm L

2шт.

5

845-6030

BOLT,Hvy Hex, M6 x 30mm, Cl 8.8

2шт.

6

J914302

GASKET

1шт.

7

J927611

BRACKET

1шт.

8

845-6015

BOLT,Hvy Hex, M6 x 15mm, Cl 8.8

2шт.

9

845-6020

BOLT,Hvy Hex, M6 x 20mm, Cl 8.8

1шт.

10

J910960

WASHER

1шт.

A77999

GASKET KIT

Consists Of 6, 13, 18, 20

1шт.

6TAA-830 Emissions Certified Engine

1шт.

European Models JEE0126216-

1шт.

Models With Engine No. 376301A1

1шт.

11

J906216

FLANGE NUT

M6

1шт.

12

J914013

PAN, ENGINE OIL

PAN, OIL

1шт.

13

NSS

NOT SOLD SEPARAT

Seal, Order A77999

1шт.

14

J920400

FLANGE BOLT,Hex, M8 x 1.25 x 21mm, Gr 8.8

M8 x 25

32шт.

17

J924147

PLUG,M18 x 1.5

M18

1шт.

18

J920773

SEALING WASHER

1шт.

19

J924148

PLUG,M22 x 1.5

M22

1шт.

20

J902425

SEALING WASHER,22.2mm ID x 26.9mm OD x 1.75mm Thk

1шт.

A77999

GASKET KIT

Consists Of 6, 13, 18, 20

1шт.

6TAA-830 Emissions Certified Engine

1шт.

European Models JEE0126216-

1шт.

Models With Engine No. 376301A1

1шт.

Engine Oil Heater

1шт.

A77666

SERVICE KIT

240V, Heater, Consists Of 21, 22, Also Order J902425

1шт.

21

J904381

RESISTOR

240V

1шт.

22

J905114

ELECTRIC CABLE

1829 mm (72 in)

1шт.

23

CASL125989

ELBOW

1шт.

24

123029A1

HOSE

395 mm (15-5/8 in)

1шт.

25

218-775

PLUG,3/4"-16, 37 Degree

1шт.

26

515-23238

CLAMP,15/16", Insul, 3/8" Bolt

1шт.

27

114512A1

SUPPORT

1шт.

28

627-8020

BOLT,Hex, M8 x 1.25 x 20mm, Cl 10.9, Full Thd

1шт.

29

896-11008

WASHER,9mm ID x 17mm OD x 2mm Thk

9 x 17 x 2 mm

1шт.

30

832-10408

NUT,M8 x 1.25, Cl 8.8

1шт.

31

426-828

BOLT,Hex, 1/2" - 13 x 1-3/4", Gr 8

1шт.

32

80679

LOCK WASHER,1/20.507 CST ZND

1шт.

33

L58752

TUBE SPACER,13.53mm ID x 19.05mm OD x 18.28mm L

1шт.

Reference 23 - 33 are not included in the engine assembly, purchase separately

1шт.

Выбрано товаров: 45