Запчасти Case 821C (02-33) - CYLINDER HEAD COVER (02) - ENGINE

Схема запчастей Case 821C - (02-33) - CYLINDER HEAD COVER (02) - ENGINE
FIT
1:1
100%

Артикул

Название

Примечание

Количество

6T-830 Emissions Certified Engine

1шт.

All North American Models

1шт.

European Models -JEE0126215

1шт.

Models With Engine No. 295271A1, 296653A1, 436664A2

1шт.

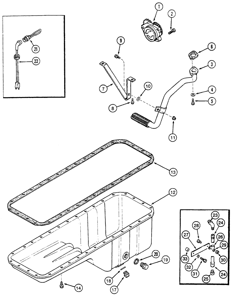
1

REF

INSTRUCTION

Head, Cylinder, See Page(s) 2-53

1шт.

2

J930903

VALVE COVER

1шт.

3

J905449

SEAL,7.179mm W x 2090mm L

1шт.

4

J910824

O-RING,0.07" Thk x 0.364" ID, -12, Cl 5, 75 Duro

6шт.

5

J922639

STUD

6шт.

6

J902468

FILLER CAP,Male

1шт.

7

J902466

SEAL,39.35mm ID x 59.35mm OD x 3mm Thk

1шт.

8

J938267

CYLINDER HEAD GASKET,2.01mm Thk

Replaces J931019, J935585

1шт.

8

J935586

CYLINDER HEAD GASKET,1.91mm Thk

0.25 mm, Replaces J931026

1шт.

8

J935587

CYLINDER HEAD GASKET,2.38mm Thk

0.50 mm, Replaces J931027

1шт.

9

J907861

LIFTING EYE

1шт.

10

J906440

LIFTING EYE

1шт.

11

614-12025

BOLT,Hex, M12 x 1.75 x 25mm, Cl 8.8, Full Thd

2шт.

6T-830 Emissions Certified Engine

1шт.

All North American Models

1шт.

European Models -JEE0126215

1шт.

Models With Engine No. 295271A1, 296653A1, 436664A2

1шт.

11a

854-12025

BOLT,Hvy Hex, M12 x 25mm, Cl 10.9

2шт.

12

J935113

ELBOW

1шт.

13

J936331

SEAL,17.7mm ID x 22.74mm OD x 3.5mm Thk

Replaces J934865

1шт.

14

J930827

HOSE,51.00 mm

1шт.

15

J937613

HOSE CLAMP

Replaces J934496

2шт.

16

J909669

TUBE,15.9-19 mm OD x 642.7 mm L

1шт.

17

J907741

CLAMP,15.88mm ID, 9.52mm Bolt Hole, P Type

1шт.

18

J912072

SELF-TAP SCREW

M8 st x 15

1шт.

19

A77538

CLIP

1шт.

20

844-12025

BOLT,Hvy Hex, M12 x 25mm, Cl 8.8

1шт.

21

J918616

TUBE,680.00 mm

1шт.

22

214-1314

HOSE CLAMP,#14, 7/8", Spring

1шт.

24

222-42

ELBOW,90 Degree, 1/2"-24 Fem x 1/8"-27 NPTF

1/4 tube OD x 1/8 PT

1шт.

25

J924589

TUBE,6.35 mm OD x 112.6 mm L

Includes 26

1шт.

26

222-153

SLEEVE,1/4" Tube

2шт.

27

222-22

FITTING,1/2"-24 x 1/8" NPTF w/Nut

1/4 tube OD x 1/8

1шт.

28

J906619

PLUG,1/8" - 27

1/8 PT

1шт.

Выбрано товаров: 38