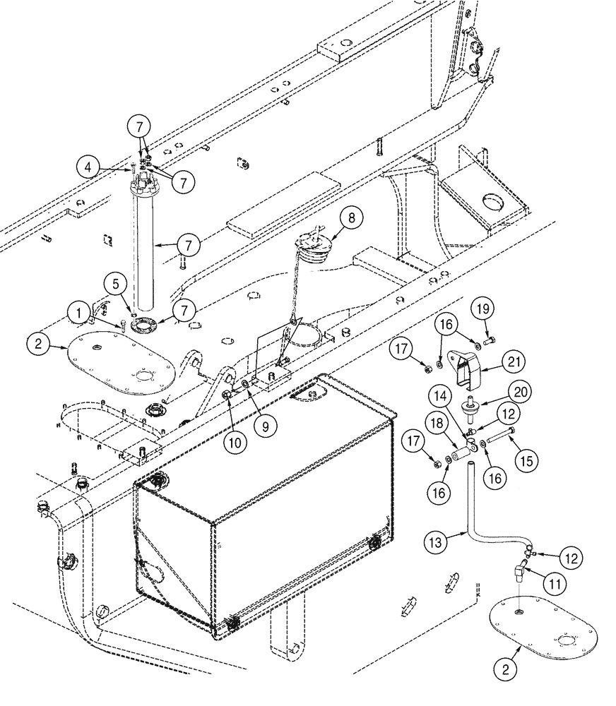
Запчасти Case 821C (03-09) - FUEL TANK FILLER SENDER (03) - FUEL SYSTEM

Схема запчастей Case 821C - (03-09) - FUEL TANK FILLER SENDER (03) - FUEL SYSTEM
11
7
2
21
5
8
12
1
16
10
12
7
13
17
20
17
15
2
16
19
7
18
16
4
9
7
14
FIT
1:1
100%

Артикул

Название

Примечание

Количество

All Models JEE0126216-

1шт.

1

L108414

BOLT

10шт.

2

349265A1

LARGE PLATE

PLATE, LARGE , Tank Access

1шт.

3

100734A1

GASKET,4.6mm Thk

1шт.

4

463-11020

SCREW,Hex Hd, #10-24 x 1 1/4"

5шт.

5

L115306

WASHER

Sealing

5шт.

7

328871A1

FUEL GAUGE

Fuel Level

1шт.

8

178592A1

PLUG

Filler Cap

1шт.

9

895-18010

WASHER,10.5mm ID x 18mm OD x 1.6mm Thk

1шт.

10

832-10410

NUT,M10 x 1.5, Cl 8

1шт.

11

217-132

90 ELBOW,90 Degree Elbow, 3/8" Hose Barb x 1/4" Male NPTF

1шт.

12

214-1704

HOSE CLAMP,#04, 0.25" - 0.62", Type M Worm

2шт.

13

31-2308

HOSE,0.38" ID x 48.00"

1219 mm (48 in), Cut From 32-12X

1шт.

14

515-22159

CLAMP,5/8", Insul, 5/16" Bolt

Mounts to Cooler Frame

1шт.

15

827-8070

BOLT,Hex, M8 x 1.25 x 70mm, Cl 10.9

1шт.

16

896-11008

WASHER,9mm ID x 17mm OD x 2mm Thk

9 x 17 x 2 mm

4шт.

17

832-10408

NUT,M8 x 1.25, Cl 8.8

2шт.

18

8500692

SPACER

1шт.

19

627-8020

BOLT,Hex, M8 x 1.25 x 20mm, Cl 10.9, Full Thd

1шт.

20

T103750

BREATHER

1шт.

21

186814A1

CAP

Mounts To Cooler Frame

1шт.

Выбрано товаров: 21