Запчасти Case 821C (06-06) - TRANSMISSION ASSY - HOUSING TUBES (06) - POWER TRAIN

Схема запчастей Case 821C - (06-06) - TRANSMISSION ASSY - HOUSING TUBES (06) - POWER TRAIN
6
7
6
1
9
10
8
4
5
2
5
3
6
6
10
FIT
1:1
100%

Артикул

Название

Примечание

Количество

*

196174A1

GEARBOX

1шт.

*

See Figure 06-01 - 06-17, 07-01

1шт.

*

196174A1R

REMAN-TRANSMISSION

821C CASE WHEEL LOADER (S/N JEE0155001 & AFTER)

1шт.

*

196174A1C

CORE-TRANSMISSION

Return Number

1шт.

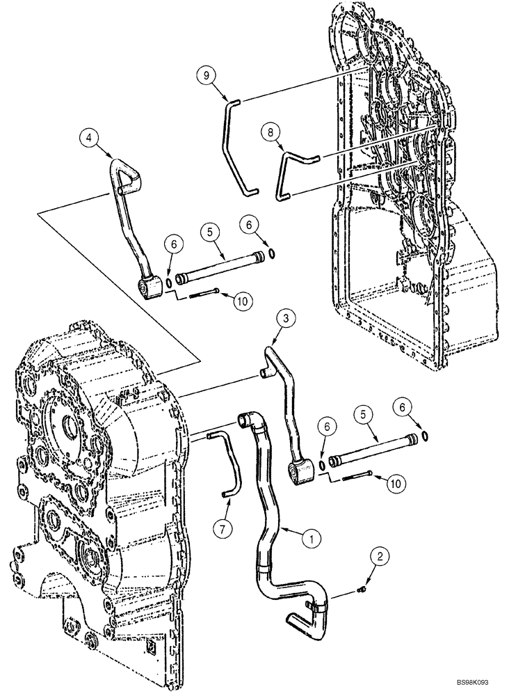
1

331691A1

TUBE

1шт.

*

Suction

1шт.

2

330806A1

CAPSCREW,M8 x 12mm

1шт.

3

331690A1

PIPE

2 Hole Flange

1шт.

3

8604690

TUBE

1 Hole Flange

1шт.

4

331693A1

PIPE

1шт.

5

331692A1

PIPE

2шт.

6

330827A1

O-RING

4шт.

7

331694A1

PIPE

1шт.

8

331695A1

PIPE

1шт.

9

331697A1

PIPE

1шт.

10

331696A1

CAPSCREW,M8 x 55mm

M8 x 55

2-3шт.

Выбрано товаров: 16