Запчасти Case 821C (06-13) - TRANSMISSION - SHAFT, OUTPUT (Sep 29 2010 9:49AM) (06) - POWER TRAIN

Схема запчастей Case 821C - (06-13) - TRANSMISSION - SHAFT, OUTPUT (Sep 29 2010 9:49AM) (06) - POWER TRAIN
8
5
9
3
3
9
8
1
6
6
4
2
2
7
7
FIT
1:1
100%

Артикул

Название

Примечание

Количество

*

196174A1

GEARBOX

1шт.

*

See Figure 06-01 - 06-17, 07-01

1шт.

*

196174A1R

REMAN-TRANSMISSION

821C CASE WHEEL LOADER (S/N JEE0155001 & AFTER)

1шт.

*

196174A1C

CORE-TRANSMISSION

Return Number

1шт.

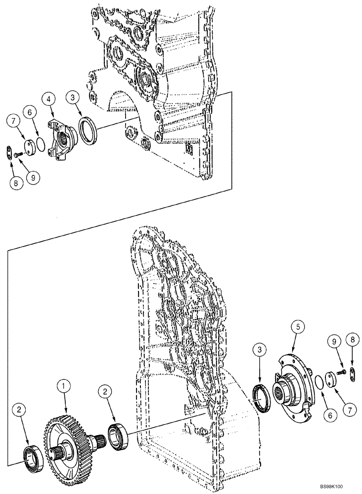
1

331963A1

SHAFT

1шт.

2

331914A1

BEARING, ROLLER

2шт.

3

E135151

OIL SEAL

2шт.

4

334726A1

COUPLING FLANGE

1шт.

*

Output, Rear

1шт.

5

334729A1

COUPLING FLANGE

1шт.

*

Output Flange

1шт.

*

For Parking Brake Assembly

1шт.

*

See Figure 07-01

1шт.

6

187244A1

GASKET,4mm Thk x 48mm ID

2шт.

7

E135181

WASHER

2шт.

8

E135165

PLATE

PLATE, LARGE

2шт.

9

331964A1

SCREW

M10 x 30

4шт.

Выбрано товаров: 17