Запчасти Case 821C (06-18) - AXLE - MOUNTING (FRONT & REAR) (06) - POWER TRAIN

Схема запчастей Case 821C - (06-18) - AXLE - MOUNTING (FRONT & REAR) (06) - POWER TRAIN
1
7
5
4
2
5
6
8
3
8
6
5
7
5
FIT
1:1
100%

Артикул

Название

Примечание

Количество

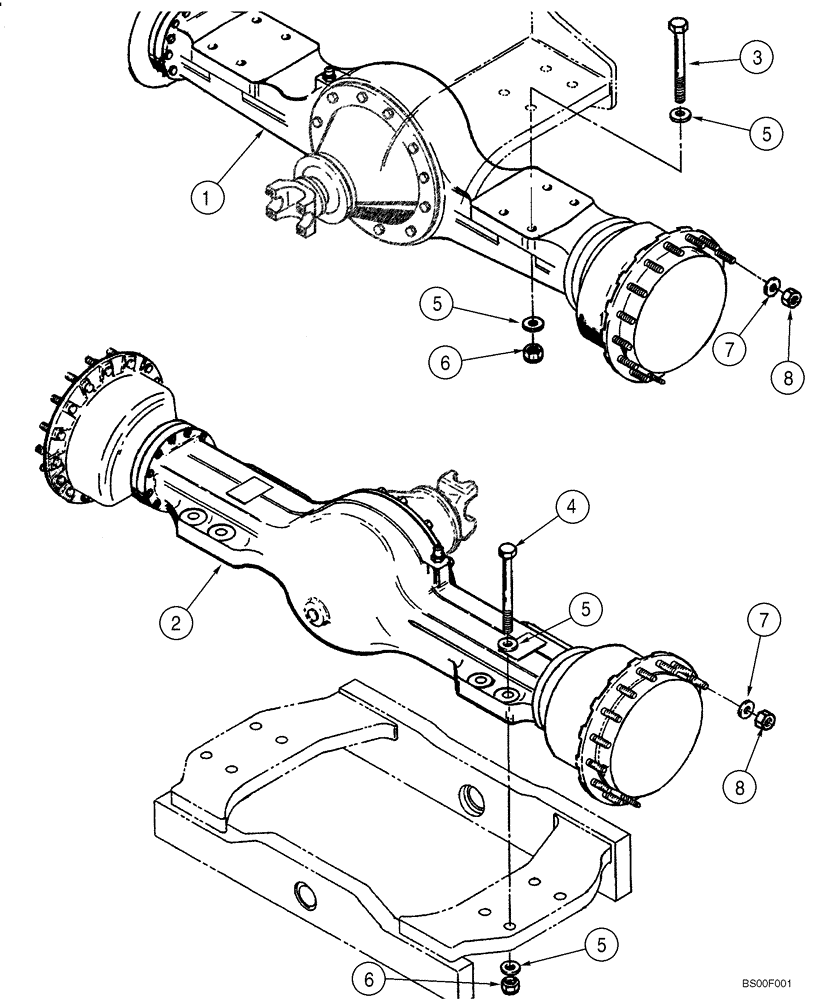
1

293102A2

AXLE

FRONT, With Limited Slip; ZF No. 4474 053 029; See Figure 06-19 - 06-21A

1шт.

1

87313934

FRONT AXLE

FRONT, With Limited Slip; ZF No. 4474 053 029; See Figure 06-19 - 06-21A; Oil Filled; Components Same As 293102A2

1шт.

1

87358592

FRONT AXLE

FRONT, With Limited Slip; ZF No. 4474 053 050; See Figure 06-19 - 06-21A; Oil Filled; Components Same As 87313934 Except Wheel End/A And Brake Disc

1шт.

2

293103A2

AXLE

REAR, With Limited Slip; ZF No. 4474 052 050; See Figure 06-22 - 06-24A

1шт.

2

87313935

REAR AXLE

REAR, With Limited Slip; ZF No. 4474 052 050; See Figure 06-22 - 06-24A; Oil Filled; Components Same As 293103A2

1шт.

2

87358593

REAR AXLE

REAR, With Limited Slip; ZF No. 4474 052 079; See Figure 06-22 - 06-24A; Oil Filled; Components Same As 87313935 Except Wheel End/A And Brake Disc

1шт.

8603201

BREATHER

Both Front And Rear Axles; Not Illustrated

2шт.

3

328-1696

BOLT,Hex, 1" - 14 x 6", Gr 8

8шт.

4

328-1696

BOLT,Hex, 1" - 14 x 6", Gr 8

8шт.

5

496-21106

WASHER,1 1/16" x 2" x .209", HDN

32шт.

6

232-24416

NUT,1"-14, GC

16шт.

7

496-31094

WASHER,15/16" x 1 3/4" x .219", HDN

64шт.

8

429-1714

NUT,7/8"-14, G8, Hvy

64шт.

Выбрано товаров: 13