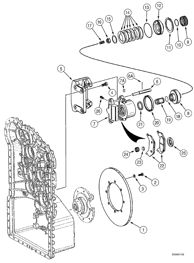
Запчасти Case 821C (07-01) - BRAKE, PARKING (Sep 29 2010 9:58AM) (07) - BRAKES

Схема запчастей Case 821C - (07-01) - BRAKE, PARKING (Sep 29 2010 9:58AM) (07) - BRAKES
9
6
11
19
1
25
5
26
8
21
16
23
14
7a
22
18
17
15
7
20
4
10
2
12
6a
13
3
24
FIT
1:1
100%

Артикул

Название

Примечание

Количество

*

196174A1

GEARBOX

1шт.

*

Incl. Figure 06-01 06-17

1шт.

*

196174A1R

REMAN-TRANSMISSION

821C CASE WHEEL LOADER (S/N JEE0155001 & AFTER)

1шт.

*

196174A1C

CORE-TRANSMISSION

Return Number

1шт.

1

330870A1

BRAKE DISC

DISC, BRAKE

1шт.

2

626-10025

BOLT,Hex, M10 x 1.5 x 25mm, Cl 10.9, Full Thd

8шт.

3

895-11010

WASHER,11mm ID x 20mm OD x 2mm Thk

11 x 21 x 2 mm

8шт.

4

330872A1

CAPSCREW,Hex, M14 x 45mm

4шт.

5

330874A1

LARGE PLATE

PLATE, LARGE

1шт.

*

331754A1

BRAKE ASSY.

Incl. 5-9

1шт.

*

Incl. 6-26

1шт.

6

352021A1

PIN

2шт.

6a

352022A1

PIN

2шт.

7

330883A1

HOUSING

1шт.

7a

331974A1

SCREW

1шт.

8

330884A1

JACK PISTON

1шт.

9

330898A1

CAPSCREW,Flg, 5/16" - 18 x 5 3/4", Gr 8

1шт.

10

330899A1

O-RING

1шт.

11

330897A1

RING

1шт.

12

330885A1

RING

1шт.

13

NSS

NOT SOLD SEPARAT

O-Ring; Order Kit 87439453

1шт.

*

87439453

SEAL KIT

1шт.

14

330893A1

WASHER

6шт.

15

330894A1

SHIM

1шт.

16

330902A1

NUT

1шт.

17

330901A1

SET SCREW

1шт.

18

330895A1

O-RING

1шт.

19

330886A1

JACK PISTON

1шт.

387516A1

KIT

1шт.

*

Replaces 20, 21

1шт.

20

NSS

NOT SOLD SEPARAT

Seal; Order Kit 87439453

1шт.

21

NSS

NOT SOLD SEPARAT

Seal; Order 87439453

1шт.

22

330887A1

BRAKE PAD

PAD, BRAKE

2шт.

23

330888A1

MAGNET

1шт.

24

330889A1

RING

1шт.

25

NSS

NOT SOLD SEPARAT

Dust, Cap; Order 87439453

1шт.

26

330900A1

BREATHER

1шт.

Выбрано товаров: 37