Запчасти Case 821C (08-06A) - HYDRAULICS - FILTER TO RESERVOIR (08) - HYDRAULICS

Схема запчастей Case 821C - (08-06A) - HYDRAULICS - FILTER TO RESERVOIR (08) - HYDRAULICS
14
26
21
13
19
3
4
2
16
8
6
23
27
7
12
28
23
10
21
25
9
28
12
20
15
5
20
24
1
11
17
FIT
1:1
100%

Артикул

Название

Примечание

Количество

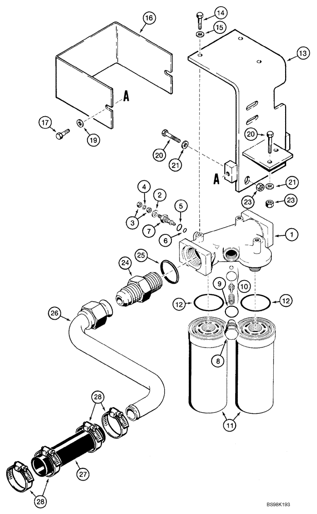
OIL FILTER TO HYDRAULIC RESERVOIR

1шт.

L126373

FILTER ASSY

1шт.

Hydraulic Oil

1шт.

Incl. 1-12

1шт.

1

NSS

NOT SOLD SEPARAT

Head

1шт.

N13268

PRESSURE SWITCH

1шт.

Restriction

1шт.

Incl. 2-7

1шт.

2

NSS

NOT SOLD SEPARAT

Washer

1шт.

Red, White

1шт.

3

129-667

NUT,#10-32, LH

2шт.

Left Hand Threads

1шт.

4

493-21020

LOCK WASHER,Int Tooth, #10

1шт.

6

238-5011

O-RING,0.07" Thk x 0.301" ID, -11, Cl 5, 75 Duro

1шт.

7

NSS

NOT SOLD SEPARAT

Indicator

1шт.

Order N13268

1шт.

8

NSS

NOT SOLD SEPARAT

Plug

1шт.

Bypass Valve

1шт.

9

NSS

NOT SOLD SEPARAT

O-Ring

1шт.

10

NSS

NOT SOLD SEPARAT

50 psi, Valve

1шт.

By-Pass

1шт.

Order L126373

1шт.

N9025

HYDRAULIC OIL FILTER

2шт.

Incl. 11, 12

1шт.

11

NSS

NOT SOLD SEPARAT

Element

1шт.

Order N9025

1шт.

12

N9026

O-RING

1шт.

13

L126230

BRACKET

1шт.

14

426-620

BOLT,Hex, 3/8" - 16 x 1-1/4", Gr 8

3шт.

15

495-11041

WASHER,0.406" ID x 0.812" OD x 0.065" W

(13/32 x 13/16 x 1/16")

3шт.

16

L126231

PROTECTOR

1шт.

17

426-816

BOLT,Hex, 1/2" - 13 x 1", Gr 8

2шт.

19

496-21053

WASHER,17/32" x 1 1/16" x .134"

2шт.

20

827-12045

BOLT,Hex, M12 x 1.75 x 45mm, Cl 10.9, Full Thd

3шт.

21

896-15012

WASHER,13.5mm ID x 28mm OD x 4mm Thk

13,5 x 28 x 4 mm

3шт.

23

832-10412

NUT,M12 x 1.75, Cl 8

3шт.

24

218-5074

HYD CONNECTOR,1-7/8" - 12 Male JIC x 1-7/8" - 12 Male ORB

1-7/8 fl x Or

1шт.

Incl. 25

1шт.

Filter to Return Tube

1шт.

25

237-6024

O-RING,0.118" Thk x 1.720" ID, -924, Cl 6, 90 Duro

1шт.

26

L126401

PIPE,38.09 mm OD x 373, 262 mm L

1шт.

Filter to Hydraulic Reservoir

1шт.

27

L127301

HOSE,38.1 mm ID x 230.00 mm

1шт.

28

214-3132

HOSE CLAMP,1-1/4" - 2-1/8", HD Worm

4шт.

5

237-6006

O-RING,0.078" Thk x 0.468" ID, -906, Cl 6, 90 Duro

1шт.

Выбрано товаров: 45