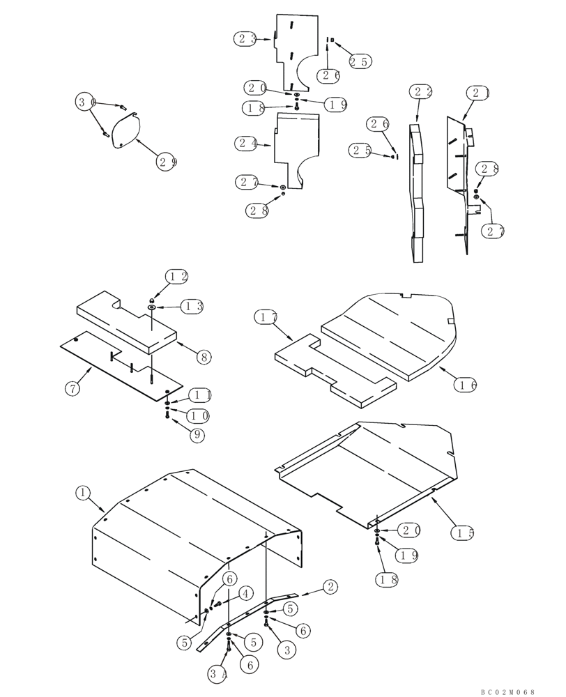
Запчасти Case 821C (09-08) - INSULATION - REAR CHASSIS (Mar 11 2010 9:50AM) (09) - CHASSIS

Схема запчастей Case 821C - (09-08) - INSULATION - REAR CHASSIS (Mar 11 2010 9:50AM) (09) - CHASSIS
9
8
6
19
5
29
28
15
bc02m068
7
6
20
10
26
1
12
25
13
3
26
28
19
25
16
20
21
18
11
4
5
22
17
23
3a
2
18
5
6
27
30
24
27
FIT
1:1
100%

Артикул

Название

Примечание

Количество

ALL EUROPEAN MODELS

1шт.

1

E133897

NOISE PROTECTION

1шт.

Axle

1шт.

2

121842A1

LARGE PLATE

PLATE, LARGE

2шт.

3

426-612

BOLT,Hex, 3/8" - 16 x 3/4", Gr 8

10шт.

3a

426-624

BOLT,Hex, 3/8" - 16 x 1-1/2", Gr 8

4шт.

4

426-620

BOLT,Hex, 3/8" - 16 x 1-1/4", Gr 8

8шт.

5

495-21044

WASHER,3/8"

(7/16 x 1 x 5/64)

18шт.

6

492-11038

LOCK WASHER,3/8"

18шт.

7

122310A1

LARGE PLATE

PLATE, LARGE

1шт.

Mounting

1шт.

Insulation

1шт.

8

118736A1

NOISE PROTECTION

1шт.

Rear Trunnion

1шт.

9

426-620

BOLT,Hex, 3/8" - 16 x 1-1/4", Gr 8

2шт.

10

492-11038

LOCK WASHER,3/8"

2шт.

11

495-21044

WASHER,3/8"

(7/16 x 1 x 5/64)

2шт.

12

234-10431

CROWN NUT,Crown, 5/16"-18

3шт.

13

496-81003

WASHER,10.31mm ID x 26.98mm OD x 3.07mm Thk

3шт.

15

319031A1

INSULATOR

1шт.

Mounting

1шт.

Insulation

1шт.

16

319033A1

INSULATOR

1шт.

Transmission

1шт.

Front

1шт.

17

319032A1

INSULATOR

1шт.

Transmission

1шт.

Rear

1шт.

18

426-620

BOLT,Hex, 3/8" - 16 x 1-1/4", Gr 8

6шт.

19

492-11038

LOCK WASHER,3/8"

6шт.

20

496-81003

WASHER,10.31mm ID x 26.98mm OD x 3.07mm Thk

6шт.

21

144135A2

SHEET

1шт.

Mounting

1шт.

Insulation

1шт.

22

144139A2

PANEL

1шт.

Articulation

1шт.

Right Hand

1шт.

23

144141A2

SHEET

1шт.

Mounting

1шт.

Insulation

1шт.

24

144145A2

PANEL

1шт.

Articulation

1шт.

Left Hand

1шт.

25

234-10431

CROWN NUT,Crown, 5/16"-18

8шт.

26

496-81003

WASHER,10.31mm ID x 26.98mm OD x 3.07mm Thk

8шт.

27

495-21044

WASHER,3/8"

(7/16 x 1 x 5/64)

4шт.

28

832-10410

NUT,M10 x 1.5, Cl 8

4шт.

29

L128053

COVER

1шт.

30

426-620

BOLT,Hex, 3/8" - 16 x 1-1/4", Gr 8

2шт.

Выбрано товаров: 49