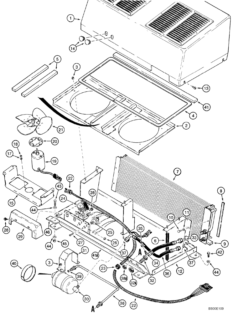
Запчасти Case 821C (09-47) - AIR CONDITIONING - CONDENSER (09) - CHASSIS

Схема запчастей Case 821C - (09-47) - AIR CONDITIONING - CONDENSER (09) - CHASSIS
14
7
39
22
44
9
10
3
19
44
32a
2
34
23
25
37
33
41
21
37
41a
11
28
18
30
3
17
22
36
29
28
46
24
32
26
45
13
44
38a
12
5
42
38
31
43
8
4
20
15
40
35
1
27
6
FIT
1:1
100%

Артикул

Название

Примечание

Количество

*

178301A1

ASSEMBLY

1шт.

*

Air Conditioning

1шт.

*

Incl. 1 - 41A

1шт.

1

178303A1

COVER ASSY

1шт.

*

Condenser

1шт.

2

1974863C2

PROTECTOR

1шт.

3

425-104

NUT,1/4"-20, Cl 5

15шт.

4

1977898C1

SEAL

2032 mm (80 in)

1шт.

*

Shroud Perimeter

1шт.

*

Cut From 198573C1

1шт.

5

1977899C1

SEAL

1045 mm (41-1/8 in)

2шт.

*

Shroud Baffle

1шт.

*

Cut From 198573C1

1шт.

6

1327979C1

MOLDING

152 mm (6 in)

1шт.

*

Cut From 1330108CX

1шт.

7

97213C2

CONDENSER

1шт.

*

Air Conditioning

1шт.

8

1977901C1

SEAL

227 mm (9 in)

2шт.

*

Condenser Flange

1шт.

*

Cut From 198573C1

1шт.

9

1977900C1

SEAL

787 (31 in)

1шт.

*

Lower Condenser

1шт.

*

Cut From 1977902CX

1шт.

10

463-1258

SCREW,Hex Hd, 1/4"-20 x 1/2"

4шт.

11

492-11025

LOCK WASHER,1/4"

4шт.

12

138583A2

SHEET

1шт.

*

Support

1шт.

13

440-1258

SCREW,Cross Pan Hd, 1/4"-20 x 1/2"

4шт.

14

205-104

HOLE PLUG BUTTON,1"

2шт.

15

137511A1

GUARD

2шт.

17

492-11010

LOCK WASHER,#10

4шт.

18

225-14210

NUT,#10-32

4шт.

19

1977427C2

MOTOR, ELECTRIC

24V

2шт.

19

1977427C2R

REMAN-ELECTRIC MOTOR

821C, SN JEE0155001 & Aft.

2шт.

19

1977427C2C

CORE-ELECTRIC MOTOR

Return Number

2шт.

20

138897A1

SPACER

2шт.

21

1977731C1

FAN

2шт.

22

137333A1

HARNESS

1шт.

*

Condenser

1шт.

23

248-1243

GROMMET,1/2" ID x 13/16" Groove Dia, Diag Cut

1шт.

24

A186288

RELAY

24V

2шт.

25

A187825

RELAY

10A

2шт.

26

225-14210

NUT,#10-32

1шт.

27

440-10812

SCREW,Cross Pan Hd, #8-32 x 3/4"

4шт.

28

459-1108

SCREW,Slotted Pan Hd, #10-32 x 1/2"

4шт.

29

1977847C1

COVER

1шт.

*

Relay

1шт.

30

1990758C2

RECEIVER-DRYER

1шт.

31

1974861C1

SUPPORT

1шт.

32

1954630C6

HOSE

380 mm (15 in)

1шт.

*

Supply

1шт.

*

Attaches To Compressor Hose

1шт.

*

Incl. 32A - 34

1шт.

32a

NSS

NOT SOLD SEPARAT

Nut

1шт.

33

238-5013

O-RING,0.07" Thk x 0.426" ID, -13, Cl 5, 75 Duro

1шт.

34

1250594C2

CORE

1шт.

35

178460A1

PLUG

1шт.

36

1954627C3

HOSE

500 mm (19-3/4 in)

1шт.

37

128483A1

O-RING,1.78mm Thk x 7.65mm ID, 70 Duro

5/16 ID x 1/16

2шт.

*

Condenser To Receiver-Drier

1шт.

*

Incl. 37

1шт.

38

1954628C4

TUBE

1шт.

*

Return

1шт.

*

Incl. 38A, 39

1шт.

38a

425-1510

JAM NUT,Jam, 5/8"-18, G5

1шт.

39

238-5011

O-RING,0.07" Thk x 0.301" ID, -11, Cl 5, 75 Duro

1шт.

40

180623C1

SEAL

271 mm (10-11/16 in)

1шт.

*

Receiver-Drier

1шт.

*

Cut From 198530C1

1шт.

41

1977897C1

SEAL

750 mm (29-1/2 in)

1шт.

*

Condenser Cover

1шт.

*

Cut From 1977902CX

1шт.

41a

NSS

NOT SOLD SEPARAT

Seal

1шт.

*

Foam

1шт.

*

Cut From 1999409C1

1шт.

42

627-10025

BOLT,Hex, M10 x 1.5 x 25mm, Cl 10.9, Full Thd

2шт.

43

827-10040

BOLT,Hex, M10 x 1.5 x 40mm, Cl 10.9, Full Thd

2шт.

44

895-11010

WASHER,11mm ID x 20mm OD x 2mm Thk

11 x 21 x 2 mm

4шт.

45

832-10410

NUT,M10 x 1.5, Cl 8

2шт.

46

L125787

LARGE PLATE

PLATE, LARGE

2шт.

*

Condenser Cover To Hood

1шт.

Выбрано товаров: 81