Запчасти Case 821C (03-01A) - PEDAL ASSY - THROTTLE, FOOT (03) - FUEL SYSTEM

Схема запчастей Case 821C - (03-01A) - PEDAL ASSY - THROTTLE, FOOT (03) - FUEL SYSTEM
1
4
6
6
3
7
5
3
4
6
2
1
4
8
5
4
4
4
8
3
7
FIT
1:1
100%

Артикул

Название

Примечание

Количество

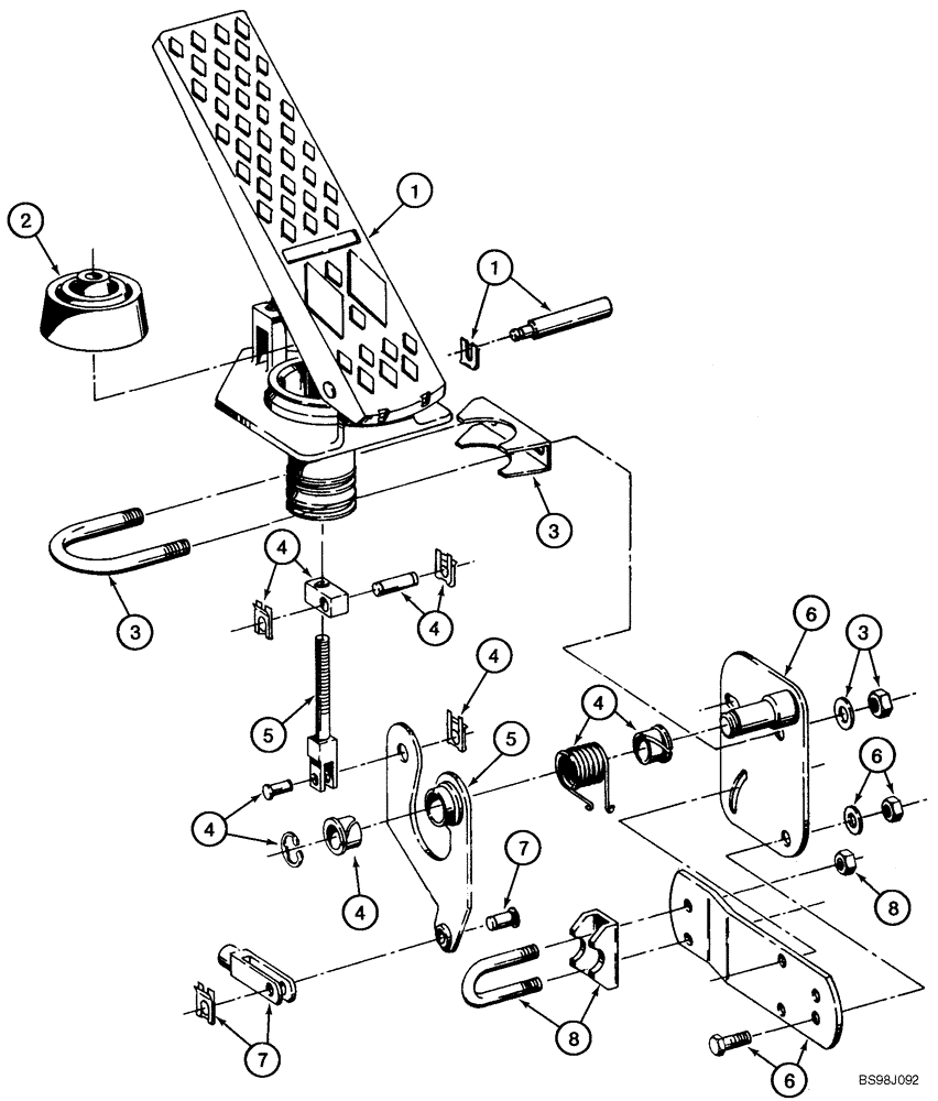
295157A1

PEDAL ASSY.

Incl. 1 - 8

1шт.

1

336463A1

SET OF PARTS

Pedal; Component Parts Not Serviced Separately

1шт.

2

336467A1

SET OF PARTS

Bellows; Component Parts Not Serviced Separately

1шт.

3

336461A1

SET OF PARTS

U-Bolt Assy; Component Parts Not Serviced Separately

1шт.

4

336460A1

KIT

Bearing and Hardware; Component Parts Not Serviced Separately

1шт.

5

336462A1

SET OF PARTS

Lever and Push Rod; Component Parts Not Serviced Separately

1шт.

6

336464A1

SET OF PARTS

Cable Hanger and Support Bracket; Component Parts Not Serviced Separately

1шт.

7

336466A1

SET OF PARTS

Clevis and Hardware; Component Parts Not Serviced Separately

1шт.

8

336465A1

SET OF PARTS

Cable Anchor; Component Parts Not Serviced Separately

1шт.

Выбрано товаров: 9