Запчасти Case 821C (04-15A) - ALTERNATOR - MOUNTING (04) - ELECTRICAL SYSTEMS

Схема запчастей Case 821C - (04-15A) - ALTERNATOR - MOUNTING (04) - ELECTRICAL SYSTEMS
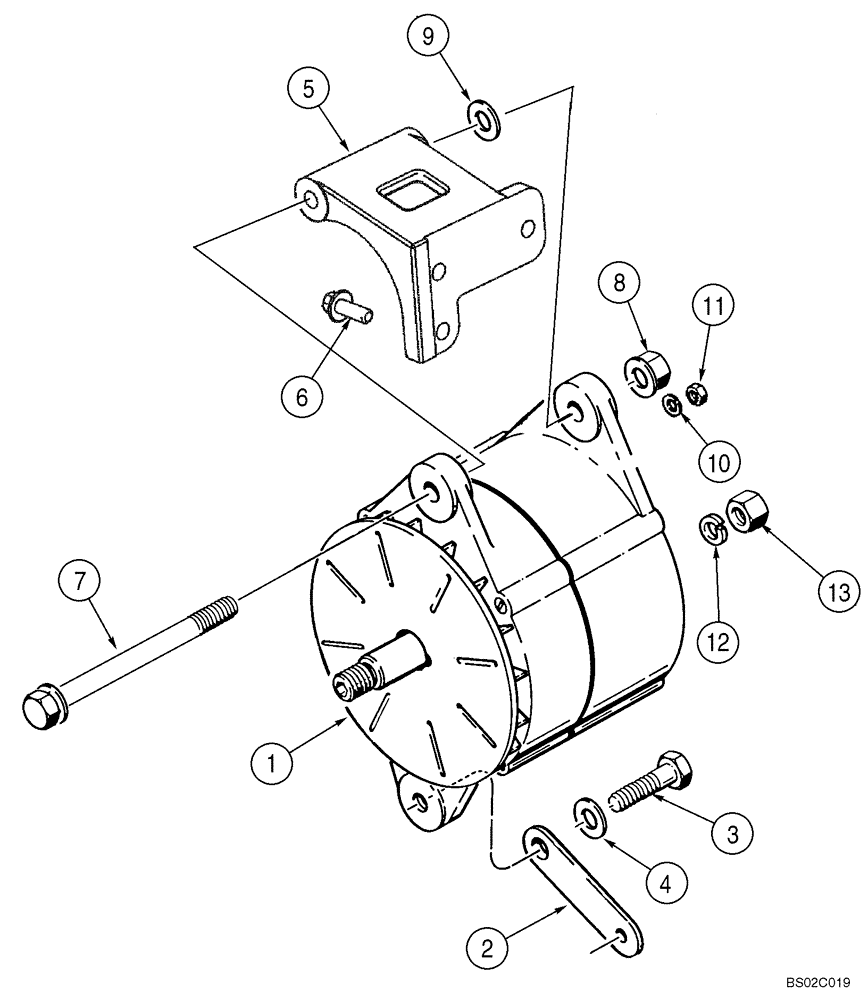
4
11
5
1
10
6
3
8
2
7
12
9
13
FIT
1:1
100%

Артикул

Название

Примечание

Количество

1

1964860C1

ALTERNATOR,24V, 60A, W/O Pulley

24V, 65 amp; See Figure 04-01

1шт.

1

1964860C1GV

ALTERNATOR

Value

1шт.

1

1964860C1R

REMAN-ALTERNATOR

821C CASE WHEEL LOADER (S/N JEE0155001 & AFTER), 24V, 65 amp, MOUNTING

1шт.

1

1964860C1C

CORE-ALTERNATOR

Return Number

1шт.

2

J920317

BRACE

Supplied With Engine

1шт.

3

426-820

BOLT,Hex, 1/2" - 13 x 1-1/4", Gr 8

1шт.

4

896-15012

WASHER,13.5mm ID x 28mm OD x 4mm Thk

13,5 x 28 x 4 mm

1шт.

5

J929418

SUPPORT

Supplied With Engine

1шт.

6

845-8025

BOLT,Hex Flg, M8 x 25mm, Cl 8.8

Supplied with Engine

4шт.

7

854-12040

BOLT,Hvy Hex, M12 x 40mm, Cl 10.9

Supplied with Engine

1шт.

8

829-1412

NUT,M12, Cl 10.9

2шт.

9

895-18012

WASHER,13.5mm ID x 20mm OD x 2mm Thk

11 x 18 x 1.6 mm

1шт.

10

895-11012

WASHER,13.5mm ID x 24mm OD x 2.5mm Thk

1шт.

11

824-1404

NUT,M4, Cl 5

1шт.

12

492-11044

LOCK WASHER,7/16"

1шт.

13

425-107

NUT,7/16"-14, G5

1шт.

Выбрано товаров: 0