Запчасти Case 821C (04-17A) - MOUNTING - LAMPS, FRONT - IF USED (Nov 19 2008 11:24AM) (04) - ELECTRICAL SYSTEMS

Схема запчастей Case 821C - (04-17A) - MOUNTING - LAMPS, FRONT - IF USED (Nov 19 2008 11:24AM) (04) - ELECTRICAL SYSTEMS
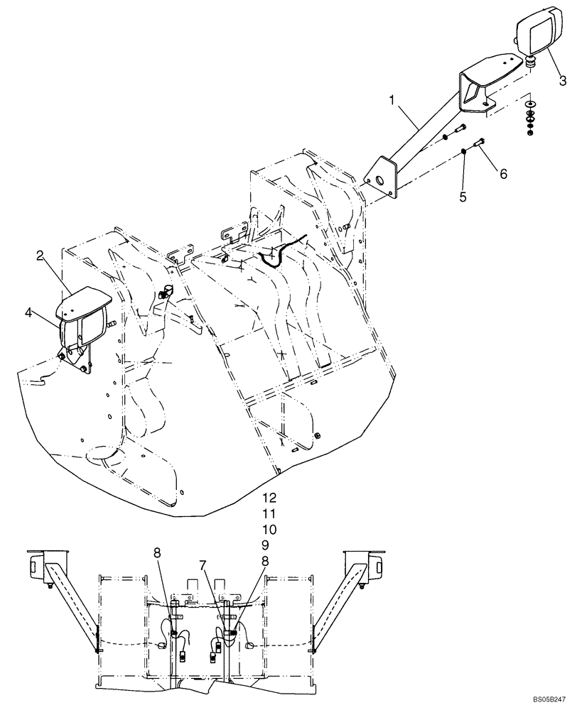
5
8
8
4
7
12
9
3
2
11
1
6
10
FIT
1:1
100%

Артикул

Название

Примечание

Количество

1

87328093

BRACKET

Bracket; Left Hand

1шт.

2

87328092

BRACKET

Bracket; Right Hand

1шт.

3

368056A1

LIGHT,Halogen, 24V, 70W, Clear

Combination; Left Hand; Includes Hardware; See Figure 04-19

1шт.

4

368055A1

LIGHT,Halogen, 24V, 70W, Clear

Combination; Right Hand; Includes Hardware; See Figure 04-19

1шт.

5

80679

LOCK WASHER,1/20.507 CST ZND

4шт.

6

426-824

BOLT,Hex, 1/2" - 13 x 1-1/2", Gr 8

6шт.

7

D34033

CLAMP

1шт.

8

515-2395

CLAMP,3/8", Insul, 3/8" Bolt

2шт.

9

895-11010

WASHER,11mm ID x 20mm OD x 2mm Thk

1шт.

10

614-10030

BOLT,Hex, M10 x 1.5 x 30mm, Cl 8.8, Full Thd

1шт.

11

892-11010

LOCK WASHER,M10

8шт.

12

829-1410

NUT,M10 x 1.5, Cl 10.9

1шт.

13

87328599

HARNESS

Harness; Front Light

1шт.

Выбрано товаров: 13