Запчасти Case 821C (06-01) - HYDRAULICS - TRANSMISSION (Sep 29 2010 9:37AM) (06) - POWER TRAIN

Схема запчастей Case 821C - (06-01) - HYDRAULICS - TRANSMISSION (Sep 29 2010 9:37AM) (06) - POWER TRAIN
10
6
7
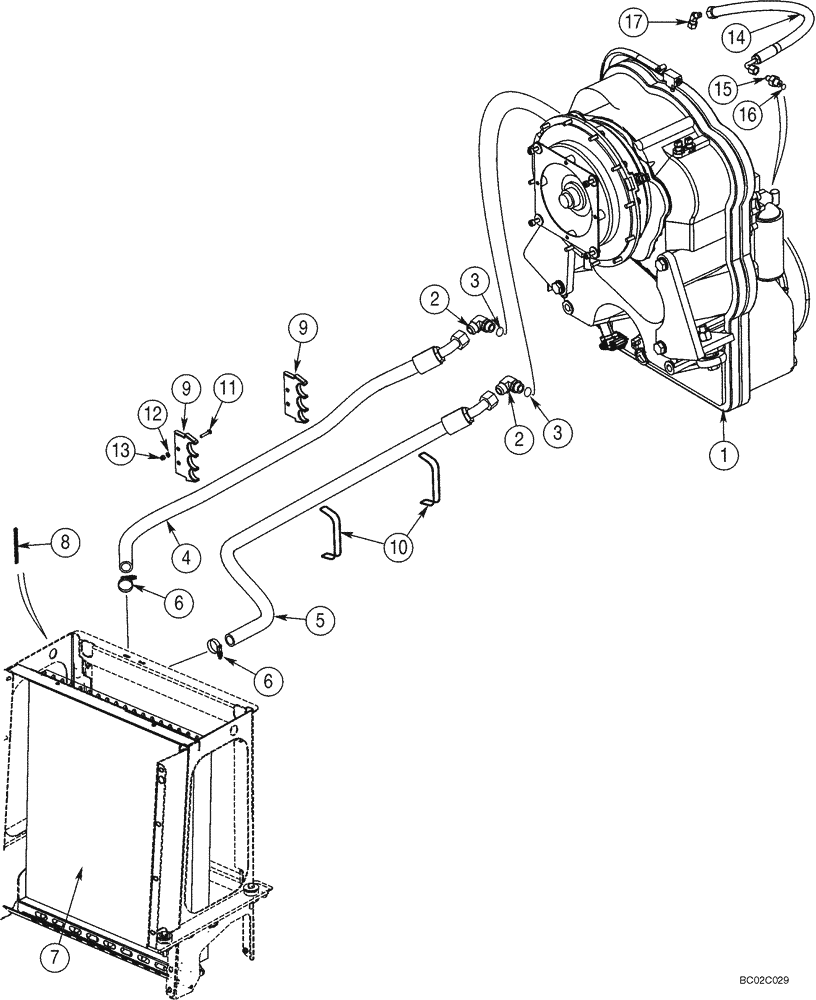
1
4
2
17
12
14
11
15
3
8
2
13
9
5
16
9
3
6
FIT
1:1
100%

Артикул

Название

Примечание

Количество

1

196174A1

GEARBOX

ZF No 4657 054 015

1шт.

1

196174A1R

REMAN-TRANSMISSION

821C CASE WHEEL LOADER (S/N JEE0155001 & AFTER)

1шт.

1

196174A1C

CORE-TRANSMISSION

Return Number

1шт.

*

See Figure 06-01 - 06-17, 07-01

1шт.

*

Incl. 3

1шт.

2

218-5116

ELBOW,90 Degree Elbow, 1-5/8" - 12 Male JIC x 1-5/16" - 12 Male ORB

2шт.

3

237-6016

O-RING,0.116" Thk x 1.171" ID, -916, Cl 6, 90 Duro

1шт.

4

434450A2

HOSE ASSY.

1650 mm (65 in)

1шт.

*

Cooler Return

1шт.

5

434449A2

HOSE ASSY.

1890 mm (75-1/2 in)

1шт.

*

Cooler Supply

1шт.

6

353036A1

HOSE CLAMP,32mm - 54mm

2шт.

7

412542A2

OIL COOLER

1шт.

*

See Figure 08-02

1шт.

8

70-5848T1

SEAL

140 mm (5-1/2 in)

1шт.

*

Cut From F64277X

1шт.

9

451490A1

PLATE

2шт.

10

451491A1

RETAINER

2шт.

11

827-8040

BOLT,Hex, M8 x 1.25 x 40mm, Cl 10.9

2шт.

12

895-11008

WASHER,9mm ID x 16mm OD x 1.6mm Thk

2шт.

13

832-10408

NUT,M8 x 1.25, Cl 8.8

4шт.

14

300941A1

HOSE ASSY.

1шт.

*

Parking Brake

1шт.

15

218-5089

HYD CONNECTOR,7/16" - 20 Male JIC x 9/16" - 18 Male ORB

1шт.

*

Incl. 16

1шт.

17

218-5170

ELBOW,45 Degree Elbow, 7/16" - 20 Male JIC x 7/16" - 20 Female JIC

1шт.

16

237-6006

O-RING,0.078" Thk x 0.468" ID, -906, Cl 6, 90 Duro

1шт.

Выбрано товаров: 27