Запчасти Case 921C (06-20A) - TRANSMISSION ASSY - FILTERS AND SENSORS (06) - POWER TRAIN

Схема запчастей Case 921C - (06-20A) - TRANSMISSION ASSY - FILTERS AND SENSORS (06) - POWER TRAIN
10
19
2
13
16
3
17
6
12
1
2
14
11
5
15
9
8
18
1
20
4
18
16
7
17
FIT
1:1
100%

Артикул

Название

Примечание

Количество

380529A1

TRANSMISSION

Incl. Figures 06-20A - 06-20Q, 07-01A, Replaces 196175A1

1шт.

380529A1R

REMAN-TRANSMISSION

Remanufactured Transmission; For N.A. only; 921C, Prior to PIN JEE0155000, Model Number 4WG260, Stock Number 4646 054 010

1шт.

380529A1C

CORE-TRANSMISSION

Return number - For N.A. only

1шт.

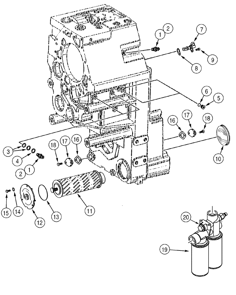
1

331324A1

SENSOR

Incl. 2

3шт.

2

S300495

O-RING,2mm Thk x 15mm ID

1шт.

3

S300501

SHIM,2mm Thk

4шт.

4

S300502

SHIM,0.5mm Thk

2шт.

5

129792A1

PLUG

18 x 1,5 mm, Incl. 6

2шт.

6

S300495

O-RING,2mm Thk x 15mm ID

2шт.

7

331325A1

SENSOR

Speed

1шт.

8

335604A1

SHIM

1шт.

9

934660R1

HEX SOC SCREW,M8 x 16mm, Cl 8.8

M8 x 16

1шт.

10

335602A1

CAP

1шт.

11

335605A1

SCREEN

1шт.

12

S302042

COVER

Incl. 13

1шт.

13

898154H1

O-RING

1шт.

14

895-11008

WASHER,9mm ID x 16mm OD x 1.6mm Thk

3шт.

15

613-8018

BOLT,Hex, M8 x 1.25 x 18mm, Cl 8.8, Full Thd

M8 x 18

3шт.

16

237302A1

GASKET

1шт.

17

S300508

COVER

1шт.

18

613-8016

BOLT,Hex, M8 x 1.25 x 16mm, Cl 8.8, Full Thd

M8 x 16

2шт.

19

335636A1

FILTER, ENGINE OIL

FILTER, OIL No Longer Used, Order 332202A1

2шт.

19

332202A1

FILTER

Replaces 335636A1

2шт.

20

335637A1

FILTER HEAD

1шт.

Выбрано товаров: 24