Запчасти Case 921C (06-20B) - TRANSMISSION - HOUSING (06) - POWER TRAIN

Схема запчастей Case 921C - (06-20B) - TRANSMISSION - HOUSING (06) - POWER TRAIN
17
1
20
15
18
10
25
21
28
8
23
5
22
19
12
16
11
2
27
14
24
9
26
4
7
13
3
6
FIT
1:1
100%

Артикул

Название

Примечание

Количество

380529A1

TRANSMISSION

Incl. Figures 06-20A - 06-20Q, 07-01A, Replaces 196175A1

1шт.

380529A1R

REMAN-TRANSMISSION

Remanufactured Transmission; For N.A. only; 921C, Prior to PIN JEE0155000, Model Number 4WG260, Stock Number 4646 054 010

1шт.

380529A1C

CORE-TRANSMISSION

Return number - For N.A. only

1шт.

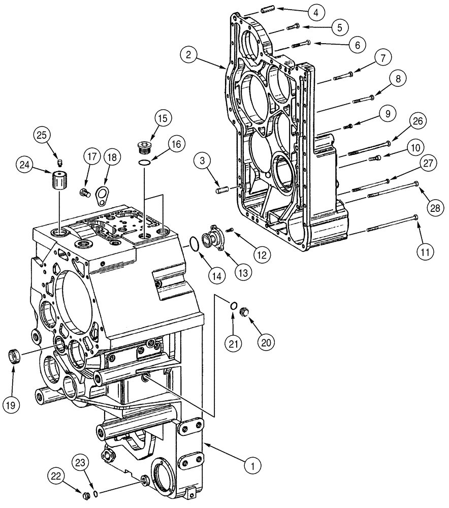
1

334877A1

HOUSING

1шт.

2

334878A1

COVER

1шт.

3

100073A1

PIN, SPLIT (COTTER)

PIN, COTTER

2шт.

4

100089A1

PIN, SPLIT (COTTER)

PIN, COTTER

1шт.

5

814-10040

BOLT,Hex, M10 x 1.5 x 40mm, Cl 8.8

7шт.

6

813-10060

BOLT,Hex, M10 x 1.5 x 60mm, Cl 8.8

M10 x 60

2шт.

7

814-10070

BOLT,Hex, M10 x 1.5 x 70mm, Cl 8.8

7шт.

8

129796A1

BOLT,Hex, M10 x 1.5 x 80mm, Cl 8.8

2шт.

9

100071A1

BOLT

M10 x 32

12шт.

10

129794A1

SCREW,M10 x 32mm, Gr 8.8

2шт.

11

100078A1

BOLT

M10 x 215

3шт.

12

100086A1

BOLT

M8 x 18

1шт.

13

334883A1

BUSHING

1шт.

14

100084A1

O-RING,52mm ID x 3mm Width

1шт.

15

100087A1

PLUG

3шт.

16

A52096

O-RING,2.5mm Thk x 38mm ID

3шт.

17

100082A1

BOLT

M16 x 25

3шт.

18

100081A1

LARGE PLATE

PLATE, LARGE

3шт.

19

100083A1

CAP

1шт.

20

E135081

PLUG

M26 - 1,5

1шт.

21

3133948R1

O-RING,2mm Thk x 23mm ID

1шт.

22

E135080

PLUG

M22 - 1,5

1шт.

23

100080A1

O-RING,2mm Thk x 19mm ID, 70 Duro

1шт.

24

129650A1

ADAPTER

1шт.

25

N14704

BREATHER

1шт.

26

334880A1

CAPSCREW,Hex, M10 x 165mm, Cl 10.9

2шт.

27

100079A1

BOLT

M10 x 175

1шт.

28

100088A1

BOLT

M10 x 210

2шт.

Выбрано товаров: 31