Запчасти Case 921C (06-20E) - TRANSMISSION POWER TAKE OFF AND OIL PUMP (06) - POWER TRAIN

Схема запчастей Case 921C - (06-20E) - TRANSMISSION POWER TAKE OFF AND OIL PUMP (06) - POWER TRAIN
2
5
14
13
8
17
4
9
3
1
10
7
16
6
12
11
15
18
FIT
1:1
100%

Артикул

Название

Примечание

Количество

380529A1

TRANSMISSION

Incl. Figures 06-20A - 06-20Q, 07-01A, Replaces 196175A1

1шт.

380529A1R

REMAN-TRANSMISSION

Remanufactured Transmission; For N.A. only; 921C, Prior to PIN JEE0155000, Model Number 4WG260, Stock Number 4646 054 010

1шт.

380529A1C

CORE-TRANSMISSION

Return number - For N.A. only

1шт.

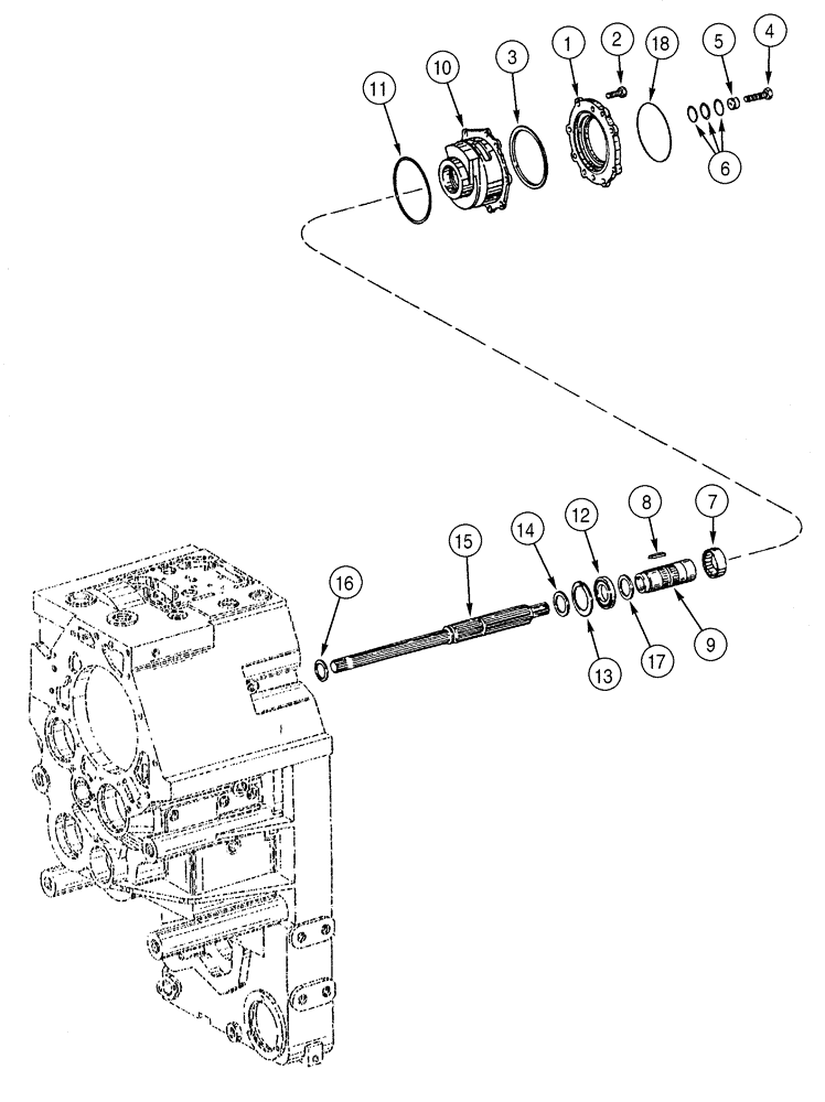
1

335464A1

COUPLING FLANGE

1шт.

2

814-12045

BOLT,Hex, M12 x 1.75 x 45mm, Cl 8.8

8шт.

3

S301880

O-RING,158mm ID x 2mm Width

1шт.

4

100270A1

BOLT

M10 x 25

1шт.

5

S301879

SPACER

1шт.

6

S301878

SNAP RING

3шт.

7

100322A1

NEEDLE BEARING,50mm ID x 58mm OD x 20mm

1шт.

8

100321A1

BUCKET TOOTH KEY

1шт.

9

S301877

PISTON

1шт.

10

129789A1

HYDRAULIC PUMP

1шт.

11

335601A1

O-RING,160mm ID x 3mm Width

1шт.

12

324731A1

BALL BEARING

Replaces S301875

1шт.

13

100272A1

CIRCLIP

1шт.

14

S301876

WASHER

1шт.

15

335462A1

SHAFT

1шт.

16

S301874

RING

1шт.

17

129779A1

WASHER

2,0 mm, Optional

1шт.

17

129780A1

WASHER

0,5 mm, Optional

1шт.

17

129781A1

WASHER

0,3 mm, Optional

1шт.

17

129782A1

WASHER

0,1 mm, Optional

1шт.

17

129784A1

WASHER

0,2 mm, Optional

1шт.

17

129785A1

WASHER

1,5 mm, Optional

1шт.

18

331982A1

O-RING

1шт.

Выбрано товаров: 26