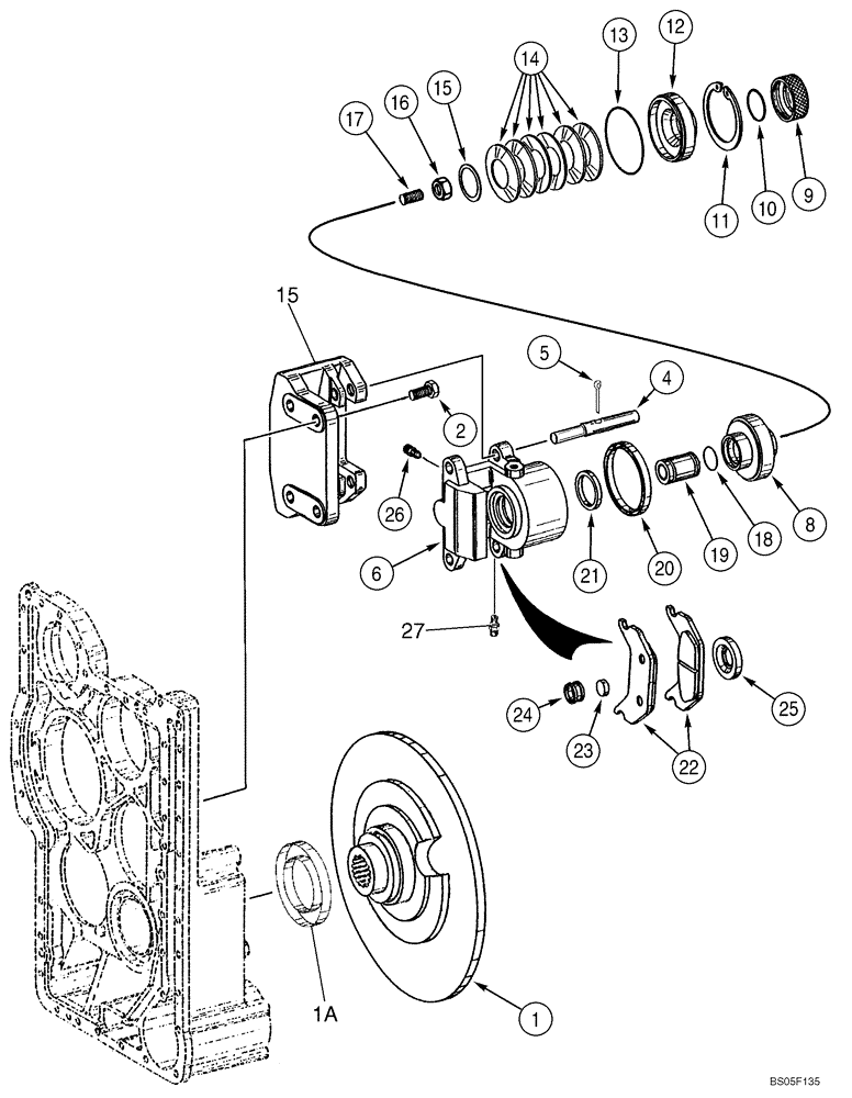
Запчасти Case 921C (07-01) - BRAKE, PARKING (07) - BRAKES

Схема запчастей Case 921C - (07-01) - BRAKE, PARKING (07) - BRAKES
27
26
12
4
9
20
1a
24
23
6
15
14
16
5
13
22
2
19
21
17
8
11
10
15
25
18
1
FIT
1:1
100%

Артикул

Название

Примечание

Количество

196175A1

TRANSMISSION

Includes Figures 06-06 - 06-20, 07-01, No Longer Available, Order 380529A1, See Figure 06-20A - 06-XXXXX

1шт.

1

352809A1

BRAKE DISC

1шт.

1a

387518A1

SCREEN

1шт.

2

352804A1

BOLT,M14 x 45mm

4шт.

387505A1

BRAKE CALIPER

CALIPER, BRAKE Incl. 4 - 26

1шт.

4

352021A1

PIN

1шт.

5

352022A1

PIN

1шт.

6

352040A1

BRAKE ASSY.

1шт.

8

352023A1

PISTON

1шт.

9

387510A1

CAP

1шт.

10

352031A1

O-RING

1шт.

11

100206A1

CIRCLIP

1шт.

12

352024A1

RING

1шт.

13

352029A1

O-RING

1шт.

14

352028A1

SPRING

5шт.

15

352802A1

PLATE

1шт.

16

352033A1

NUT

1шт.

17

352032A1

SET SCREW

1шт.

18

8603343

O-RING

1шт.

19

8603334

PIN

1шт.

20

352027A1

RING

1шт.

21

8603338

DUST CAP

1шт.

22

387514A1

BRAKE PAD

1шт.

23

8603336

MAGNET

1шт.

24

8603337

RING

1шт.

25

8603339

RING

1шт.

26

330900A1

BREATHER

1шт.

27

8603542

SLEEVE

1шт.

8603814

SEAL KIT

Seal, Incl. 13, 20, 21, 25

1шт.

Выбрано товаров: 29