Запчасти Case 921C (07-05) - BRAKE - PEDALS (07) - BRAKES

Схема запчастей Case 921C - (07-05) - BRAKE - PEDALS (07) - BRAKES
7
1616
14
24
10
2
19
20
1
3
1
22
13
10
23
10
11
21
17
18
4
16
9
5
7
6
16
12
12
11
15
FIT
1:1
100%

Артикул

Название

Примечание

Количество

179530A2

VALVE

Left Hand, Includes Main Brake Valve, Incl. 1 - 11, If Used

1шт.

370946A1

VALVE

Left Hand, Includes Main Brake Valve, Incl. 1 - 11, If Used

1шт.

388355A1

VALVE, BRAKE

Left Hand, Includes Main Brake Valve, Incl. 1 - 11, If Used

1шт.

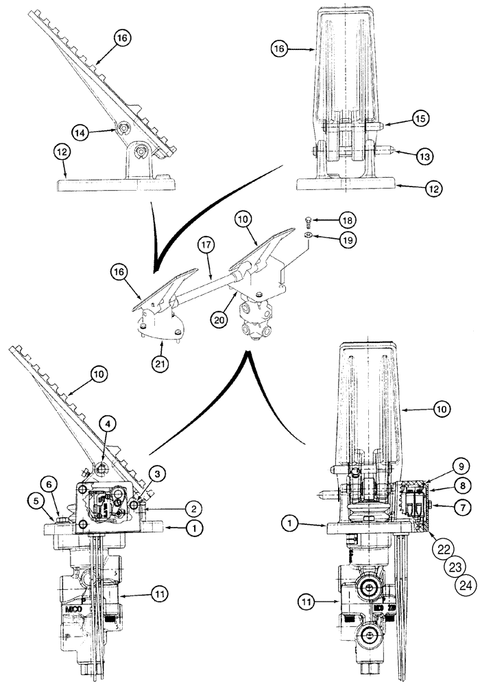
1

NSS

NOT SOLD SEPARAT

Base, Replaces 333118A1

1шт.

2

NSS

NOT SOLD SEPARAT

Plug, Replaces 333119A1

1шт.

3

NSS

NOT SOLD SEPARAT

Shaft, Replaces 333120A1

1шт.

4

NSS

NOT SOLD SEPARAT

Ring, E, Replaces 333130A1

1шт.

5

496-21034

WASHER,11/32" x 11/16" x 0.89", HDN

Replaces 333121A1

2шт.

6

426-520

BOLT,Hex, 5/16" - 18 x 1-1/4", Gr 8

5/16 x 1-1/4; 8, Replaces 333122A1

2шт.

7

NSS

NOT SOLD SEPARAT

Screw, Replaces 333123A1

3шт.

8

NSS

NOT SOLD SEPARAT

Cover, Replaces 333124A1

1шт.

9

NSS

NOT SOLD SEPARAT

Seal, Replaces 333125A1

1шт.

10

331970A1

PEDAL

Left Hand, Replaces 331970A1

1шт.

11

331969A1

VALVE

Main Brake Valve, Brake Pedal, See Figure 07-16, Used With 179530A2

1шт.

11

393884A1

VALVE, BRAKE

Main Brake Valve, Brake Pedal, See Figure 07-16, Used With 370946A1

1шт.

11

393885A1

VALVE, BRAKE

Main Brake Valve, Brake Pedal, See Figure 07-16, Used With 388355A1

1шт.

315289A1

PEDAL

Right Hand, Tag-Along Pedal, Incl. 12 - 16

1шт.

12

NSS

NOT SOLD SEPARAT

Base, Replaces 333345A1

1шт.

13

NSS

NOT SOLD SEPARAT

Pin, Replaces 333346A1

1шт.

14

NSS

NOT SOLD SEPARAT

Ring, E, Replaces 333130A1

4шт.

15

NSS

NOT SOLD SEPARAT

Pin, Replaces 333347A1

1шт.

16

333348A1

PEDAL

Right Hand

1шт.

17

315290A1

SHAFT

1шт.

19

895-11008

WASHER,9mm ID x 16mm OD x 1.6mm Thk

7шт.

20

278824A1

GASKET,3mm Thk

Left Hand Pedal

1шт.

21

277973A1

GASKET

Right Hand Pedal

1шт.

360047A1

BASE

Incl. 22 - 24

1шт.

22

360048A1

HARNESS

1шт.

23

360049A1

SWITCH

1шт.

24

360050A1

SWITCH

BRAKE LIGHT

1шт.

18

627-8030

BOLT,Hex, M8 x 1.25 x 30mm, Cl 10.9, Full Thd

7шт.

Выбрано товаров: 31