Запчасти Case 921C (08-01) - RESERVOIR -JEE0126215 (08) - HYDRAULICS

Схема запчастей Case 921C - (08-01) - RESERVOIR -JEE0126215 (08) - HYDRAULICS
16
49
18
45
20
8
1
5
21
14a
43
6
48
7
17
14
46
12
19
13
42
47
15
9
44
41
40
3
10
2
13
15
22
11
48a
4
FIT
1:1
100%

Артикул

Название

Примечание

Количество

All Models -JEE0126215

1шт.

299444A4

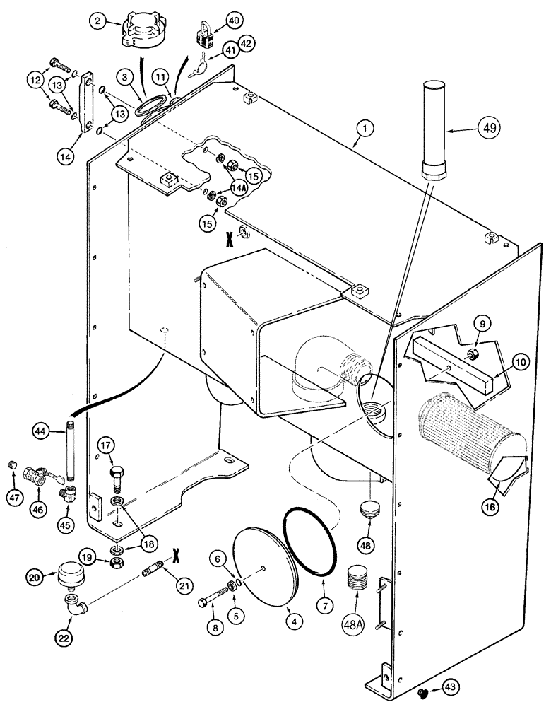
OIL RESERVOIR

Incl. 1 - 11, Replaces 299444A1, 299444A2, 299444A3

1шт.

1

NSS

NOT SOLD SEPARAT

Reservoir

1шт.

2

L128669

CAP

1шт.

3

R46984

GASKET

Rubber

1шт.

4

L128352

COVER

Access

1шт.

5

L78045

WASHER

1шт.

6

238-5112

O-RING,0.103" Thk x 0.487" ID, -112, Cl 5, 75 Duro

1шт.

7

238-5442

O-RING,0.275" Thk x 7.22" ID, -442, Cl 5, 75 Duro

7-1/4 x 1/4

1шт.

8

113-2462

BOLT,Hex, 1/2" - 13 x 3", Gr 5

1/2 x 1

1шт.

9

131-510

LOCK NUT,1/2"-13

1шт.

10

L50741

BAR

1шт.

11

R46704

BRACKET

Locking

1шт.

L116247

GAUGE

Sight, Oil Level, Incl. 12 - 15

1шт.

12

N13213

BOLT

2шт.

13

238-7112

O-RING,0.103" Thk x 0.487" ID, -112, Cl 7, 75 Duro

4шт.

14

NSS

NOT SOLD SEPARAT

Gauge

1шт.

14a

892-11012

LOCK WASHER,M12

2шт.

15

829-1412

NUT,M12, Cl 10.9

2шт.

16

L128515

STRAINER ELEMENT

Suction

1шт.

17

827-16060

BOLT,Hex, M16 x 2 x 60mm, Cl 10.9

4шт.

18

896-15016

WASHER,17.5mm ID x 34mm OD x 5mm Thk

8шт.

19

829-1416

NUT,M16, Cl 10

4шт.

20

302694A1

BREATHER

1шт.

21

221-1169

NIPPLE, LUBE

NIPPLE 3/8 PT x 2-1/2, No Longer Used, Order 221-1170

1шт.

21

221-1170

PIPE FITTING

3/8 PT x 5, Replaces 221-1169

1шт.

22

221-1383

ELBOW

3/4 x 3/8

1шт.

40

D93753

PADLOCK

Includes Keys, If Used, Incl. 41, 42

1шт.

41

D93751

SET OF 2 KEYS

Yale Lock, If Used

2шт.

42

R29555

KEY

Master Lock, If Used

2шт.

43

L126856

RIVET

4шт.

44

221-1223

PIPE,Nipple, 3/4" NPT x 6"

1шт.

45

217-1020

90 ELBOW,3/4" - 14 Female x 3/4" - 14 Male

1шт.

46

L124327

DRAIN VALVE

1шт.

47

217-415

PLUG,Hex Hd, 3/4" - 14 NPT

1шт.

48

217-532

DRAIN PLUG,Sq Hd, 1 1/4"-11 1/2 NPTF

If Used

1шт.

48a

217-445

PLUG,Hex Soc, 1-1/4" - 11-1/2 NPTF

If used

1шт.

49

L129303

FILTER SCREEN

Auxiliary Steering, If Used

1шт.

Выбрано товаров: 38