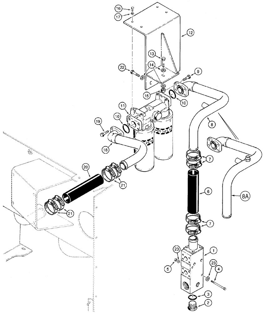
Запчасти Case 921C (08-03) - HYDRAULICS - VALVE, BYPASS TO FILTER (08) - HYDRAULICS

Схема запчастей Case 921C - (08-03) - HYDRAULICS - VALVE, BYPASS TO FILTER (08) - HYDRAULICS
2
16
23
1
13
6
10
10
14
7
18
12
22
8a
15
9
11
7
17
5
19
3
4
21
23
21
20
8
FIT
1:1
100%

Артикул

Название

Примечание

Количество

1

L127968

VALVE BODY

Oil Cooler, See Figure 08-02

1шт.

2

218-5162

PLUG,Hex Hd, 1 7/8"-12 ORB

1-7/8 Or, Incl. 3

1шт.

3

237-6024

O-RING,0.118" Thk x 1.720" ID, -924, Cl 6, 90 Duro

1шт.

4

827-10110

BOLT,Hex, M10 x 1.5 x 110mm, Cl 10.9

2шт.

5

832-10410

NUT,M10 x 1.5, Cl 8

2шт.

6

L130001

HOSE,69mm ID x 280mm L

280 mm (11-1/8 in)

1шт.

7

214-3148

HOSE CLAMP,2-1/4" - 3-1/8", HD Worm

4шт.

8

L128148

TUBE,50.8 mm OD

Cooler Bypass Valve to Filter, No Longer Used, Order 362403A2

1шт.

8a

362403A2

TUBE

Cooler Bypass, Serial Range: Valve-Filter

1шт.

9

627-12040

BOLT,Hex, M12 x 1.75 x 40mm, Cl 10.9, Full Thd

4шт.

10

238-6228

O-RING,0.139" Thk x 2.234" ID, -228, Cl 6, 90 Duro

2шт.

11

348223A1

HYDRAULIC OIL FILTER

See Figure 08-02

1шт.

12

L128567

SUPPORT

Mounting

1шт.

13

827-12050

BOLT,Hex, M12 x 1.75 x 50mm, Cl 10.9

1шт.

14

896-15012

WASHER,13.5mm ID x 28mm OD x 4mm Thk

13,5 x 28 x 4 mm

4шт.

15

832-10412

NUT,M12 x 1.75, Cl 8

1шт.

16

627-10025

BOLT,Hex, M10 x 1.5 x 25mm, Cl 10.9, Full Thd

4шт.

17

892-11010

LOCK WASHER,M10

4шт.

18

L128151

TUBE,50.8 mm OD x 295, 307 mm L

Filter to Hydraulic Reservoir

1шт.

19

627-12040

BOLT,Hex, M12 x 1.75 x 40mm, Cl 10.9, Full Thd

4шт.

20

L130001

HOSE,69mm ID x 280mm L

280 mm (11-1/8 in), Tube To Hydraulic Reservoir

1шт.

21

214-3148

HOSE CLAMP,2-1/4" - 3-1/8", HD Worm

4шт.

22

827-12050

BOLT,Hex, M12 x 1.75 x 50mm, Cl 10.9

2шт.

23

895-15010

WASHER,11mm ID x 24mm OD x 2mm Thk

4шт.

Выбрано товаров: 24