Запчасти Case 921C (08-16) - VALVE ASSY - LOADER CONTROL, THREE SPOOL (08) - HYDRAULICS

Схема запчастей Case 921C - (08-16) - VALVE ASSY - LOADER CONTROL, THREE SPOOL (08) - HYDRAULICS
7
6
3
4
9
1
10
5
2
8
FIT
1:1
100%

Артикул

Название

Примечание

Количество

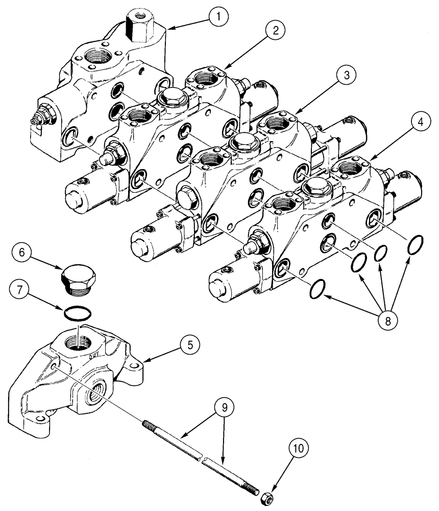
301084A1

VALVE

Loader Control, Three Spool, Incl. 1 - 10

1шт.

1

336993A1

COVER ASSY

Inlet And Outlet, See Figure 08-18

1шт.

2

336994A1

VALVE, CONTROL

Bucket, See Figure 08-19

1шт.

3

336995A1

VALVE SECTION

Lift, See Figure 08-20

1шт.

4

336996A1

VALVE

Auxiliary, See Figure 08-21

1шт.

5

336997A1

COVER ASSY

End Cover, Incl. 6, 7

1шт.

6

218-5162

PLUG,Hex Hd, 1 7/8"-12 ORB

1-7/8 Or, Incl. 7

2шт.

7

237-6024

O-RING,0.118" Thk x 1.720" ID, -924, Cl 6, 90 Duro

1шт.

8

337007A1

SEAL KIT

4шт.

9

N9247

STUD

4шт.

10

425-108

NUT,1/2" - 13, Gr 5

4шт.

Выбрано товаров: 11