Запчасти Case 921C (08-28) - HYDRAULICS - LOADER CONTROL (08) - HYDRAULICS

Схема запчастей Case 921C - (08-28) - HYDRAULICS - LOADER CONTROL (08) - HYDRAULICS
11
18
12
2
18
9
6
4
20
2
8
10
16
4
4
3
2
9
8
15
5
1
12
19
17
17
8
7
FIT
1:1
100%

Артикул

Название

Примечание

Количество

Dual Lever With Two Spool Valve

1шт.

If Used

1шт.

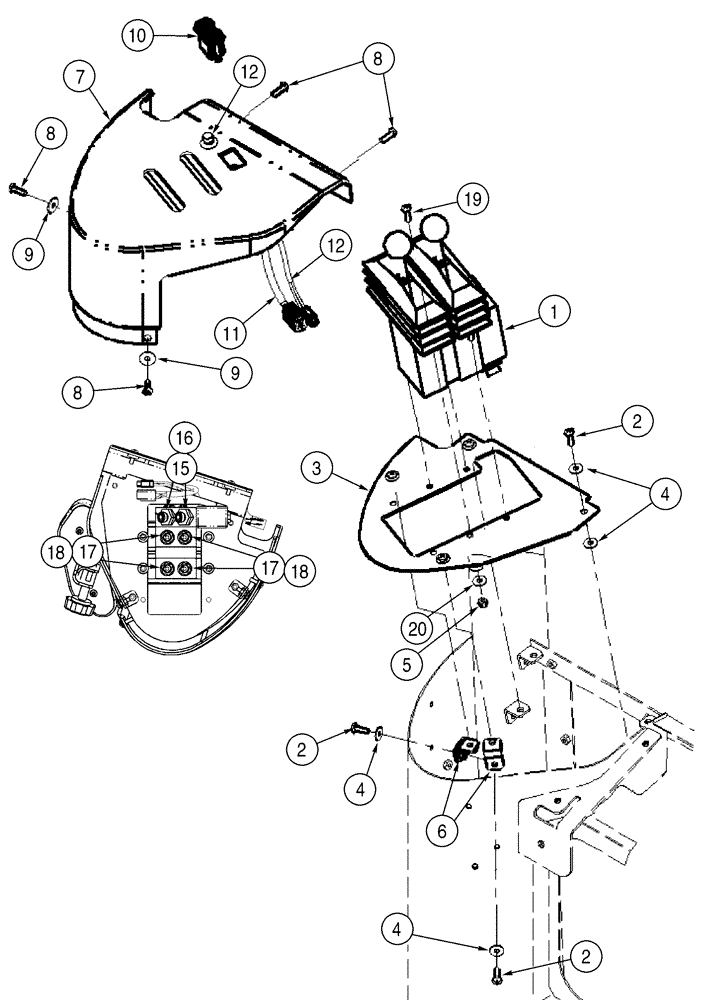
1

414157A1

VALVE

Dual Lever With Two Spool Valve, Component Parts Not Illustrated, Incl. 21 - 33

1шт.

2

840-1620

SCREW,Pan, M6 x 20mm, Cl 4.8

6шт.

3

407999A2

PLATE

1шт.

4

895-25006

WASHER,6.6mm ID x 18mm OD x 1.6mm Thk

6шт.

5

832-10405

NUT,M5 x .8, Cl 8

4шт.

6

400843A2

BRACKET

2шт.

7

407870A1

COVER

1шт.

8

239105A1

SCREW,Cross Pan Hd, M6 x 20mm

4шт.

9

1990502C1

WASHER

1/4 x 13/16 x 1/16 in

2шт.

10

400833A2

SWITCH

Forward/Neutral/Reverse

1шт.

11

402060A1

WIRE HARNESS

Forward / Neutral / Reverse Switch

1шт.

12

402390A1

SWITCH

Downshift, Incl. 13, 14

1шт.

13

NSS

NOT SOLD SEPARAT

Washer, Lock, Not Illustrated

1шт.

14

NSS

NOT SOLD SEPARAT

Nut, Not Illustrated

1шт.

15

218-5135

ELBOW,45 Degree Elbow, 9/16" - 18 Male JIC x 9/16" - 18 Male ORB

Incl. 16

2шт.

17

218-5057

HYD CONNECTOR,9/16" - 18 JIC x 9/16" - 18 ORB

Incl. 18

4шт.

19

840-1516

SCREW,Pan, M5 x 16mm, Cl 4.8

4шт.

20

895-11005

WASHER,5.5mm ID x 10mm OD x 1mm Thk

4шт.

21

410879A1

KIT

Handle

2шт.

22

410881A1

KIT

Magnet

2шт.

23

449520A1

KIT

Tie Rod

2шт.

24

410883A1

KIT

Pin

2шт.

25

449524A1

SPRING

3,8 - 17,6

2шт.

26

449526A1

SPRING

3,8 - 41,9

2шт.

27

449527A1

SPRING

Return

2шт.

28

449528A1

LEVER

Bucket

1шт.

29

449529A1

LEVER

Boom

1шт.

30

449530A1

MOUNTING PLATE

2шт.

31

449531A1

KIT

Plug

2шт.

32

449533A1

SEAL KIT

Seal

2шт.

33

410885A1

SEAL

2шт.

16

237-6006

O-RING,0.078" Thk x 0.468" ID, -906, Cl 6, 90 Duro

1шт.

18

237-6006

O-RING,0.078" Thk x 0.468" ID, -906, Cl 6, 90 Duro

1шт.

Выбрано товаров: 35